BH ORFS Male x Swivel Female Compact Forged 90° Elbow

Loading...
Useful Information

Technical Specification

  • Sizes Available: 9/16" - 2"
  • Material: Steel
  • Seal Type: O-ring face seal
  • Configuration: Compact forged 90° elbow
  • Thread Type: ORFS male x ORFS swivel female
  • Standard Compliance: Manufactured to BS EN 10277
  • Temperature Range: -40°C to +120°C without pressure reduction
  • Pressure Ratings:
  • Proof Pressure: 2× working pressure
  • Burst Pressure: 4× working pressure
  • Torque Guidance: For lightly oiled steel threads
  • Quality Assurance: ISO 9001-certified manufacturing

Description

This compact forged 90° elbow features an ORFS male connection on one end and an ORFS swivel female connection on the other, both utilising O-ring face seals for exceptional leak prevention. The swivel female end allows for easier installation and alignment, reducing hose twist and stress. The forged steel body provides superior strength and durability, while the compact profile is ideal for use in restricted spaces. Manufactured to BS EN 10277 standards, it delivers reliable, long-lasting performance in demanding hydraulic systems.

Key Features & Benefits

  • Compact Forged 90° Elbow: Robust, space-saving design
  • O-Ring Face Seal: Ensures a secure, leak-free hydraulic connection
  • Male x Swivel Female: Allows easy alignment without twisting hoses
  • Forged Steel Construction: Built to withstand high-pressure demands
  • Precision Machined: Manufactured to BS EN 10277 for perfect fitment
  • ISO Certified Quality: Produced under ISO 9001 standards

Downloads

Burnett & Hillman Pressure Guide
 
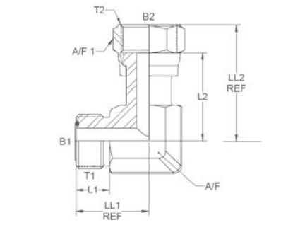
SKU Product Code T1 & T2 (") B1 (") B2 (") L1 (") L2 (") LL1 (") LL2 (") A/F (") A/F1 (")
381366 9506-04-04 9/16 0.172 0.165 0.35 1.04 0.85 1.38 0.562 0.687
381367 9506-06-06 11/16 0.264 0.264 0.41 1.15 0.98 1.56 0.75 0.812
381368 9506-08-08 13/16 0.378 0.358 0.47 1.49 1.1 1.84 0.75 0.938
381369 9506-10-10 1 0.484 0.453 0.55 1.62 1.31 2.18 1.062 1.125
381370 9506-12-12 1 3/16 0.609 0.547 0.59 1.82 1.47 2.46 1.188 1.375
381371 9506-16-16 1 7/16 0.811 0.783 0.61 2.01 1.64 2.72 1.438 1.625
381372 9506-20-20 1 11/16 1.024 1.024 0.61 2.29 1.76 2.81 1.625 1.875
381373 9506-20-20 2 1.26 1.26 0.61 2.41 1.92 2.91 1.875 2.25

 

IMPORTANT: The technical data given on this website is for preliminary information purposes only and is published without guarantee. All line drawings are for illustrative purposes only and should not be regarded as wholly accurate in every detail. We reserve the right to withdraw or to alter the specification of any product without notice. For more information, please consult our Terms of Business.

If you require any further information, our excellent customer service team is here to help so please call us on 01794 835835.

 

Grouped product items
Code Product Name List Price You Save You Pay Quantity
381366 BH Forged 90 Elbow Male x Swivel Female 9/16" x 9/16" £12.10 50%
You Pay:  £6.05
381367 BH Forged 90 Elbow Male x Swivel Female 11/16" x 11/16" £15.17 50%
You Pay:  £7.58
381368 BH Forged 90 Elbow Male x Swivel Female 13/16" x 13/16" £19.80 50%
You Pay:  £9.90
381369 BH Forged 90 Elbow Male x Swivel Female 1" x 1" £23.23 50%
You Pay:  £11.62
381370 BH Forged 90 Elbow Male x Swivel Female 1 3/16" x 1 3/16" £35.00 50%
You Pay:  £17.50
381371 BH Forged 90 Elbow Male x Swivel Female 1 7/16" x 1 7/16" £46.67 50%
You Pay:  £23.33
381372 BH Forged 90 Elbow Male x Swivel Female 1 11/16" x 1 11/16" £60.93 50%
You Pay:  £30.47
381373 BH Forged 90 Elbow Male x Swivel Female 2" x 2" £103.63 50%
You Pay:  £51.82