BH ORFS Male Compact Forged 90° Elbow

Loading...
Useful Information

Technical Specification

  • Sizes Available: 9/16" - 1 7/16"
  • Material: Steel
  • Seal Type: O-ring face seal
  • Thread Type: ORFS male x ORFS male
  • Configuration: Compact forged 90° elbow
  • Standard Compliance: Manufactured to BS EN 10277
  • Temperature Range: -40°C to +120°C without pressure reduction
  • Pressure Ratings:
  • Proof Pressure: 2× working pressure
  • Burst Pressure: 4× working pressure
  • Torque Guidance: For lightly oiled steel threads
  • Quality Assurance: ISO 9001-certified manufacturing

Description

This compact forged 90° elbow features ORFS male connections on both ends with an O-ring face seal for superior leak-free performance. The forged construction offers exceptional strength and durability, making it ideal for high-pressure hydraulic applications. Its compact design ensures easy installation in tight spaces without compromising flow or reliability. Manufactured from high-quality steel to BS EN 10277 standards, it delivers a secure, long-lasting connection in demanding environments.

Key Features & Benefits

  • Compact Forged 90° Elbow: Strong, space-saving hydraulic fitting
  • O-Ring Face Seal: Ensures a leak-free, secure connection
  • Male x Male Ends: Simple, robust joining configuration
  • Forged Steel Construction: Withstands high pressure and stress
  • Precision Machined: Manufactured to BS EN 10277 for a perfect fit
  • ISO Certified Quality: Produced under ISO 9001 standards

Downloads

Burnett & Hillman Pressure Guide
 
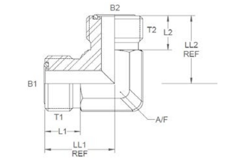
SKU Product Code T1 & T2 (") B1  B2 (") L1 & L2 (") LL1 & LL2 (") A/F (")
381355 9505-04-04  9/16  0.172 0.35 0.85 0.562
381356 9505-06-06  11/16 0.264 0.41 0.98 0.98
381357  9505-08-08 13/16 0.378 0.47 1.1 0.75
381358  9505-10-10 1  0.484 0.55 1.31 1.062
381359 9505-12-12  1 3/16 0.609 0.609 1.47 1.188
381360 9505-16-16  1 7/16 0.811 0.61  1.64  1.438

 

IMPORTANT: The technical data given on this website is for preliminary information purposes only and is published without guarantee. All line drawings are for illustrative purposes only and should not be regarded as wholly accurate in every detail. We reserve the right to withdraw or to alter the specification of any product without notice. For more information, please consult our Terms of Business.

If you require any further information, our excellent customer service team is here to help so please call us on 01794 835835.

 

Grouped product items
Code Product Name List Price You Save You Pay Quantity
381355 BH Male Forged Compact 90 Elbow ORFS 9/16" x 9/16" £6.87 50%
You Pay:  £3.43
381356 BH Male Forged Compact 90 Elbow ORFS 11/16" x 11/16" £8.77 50%
You Pay:  £4.38
381357 BH Male Forged Compact 90 Elbow ORFS 13/16" x 13/16" £12.70 50%
You Pay:  £6.35
381358 BH Male Forged Compact 90 Elbow ORFS 1" x 1" £15.20 50%
You Pay:  £7.60
381359 BH Male Forged Compact 90 Elbow ORFS 1 3/16" x 1 3/16" £22.67 50%
You Pay:  £11.33
381360 BH Male Forged Compact 90 Elbow ORFS 1 7/16" x 1 7/16" £55.40 50%
You Pay:  £27.70