BH NPTF x JIC 37° Compact Forged Male 90° Elbow

Loading...
Useful Information

Technical Specification

  • Sizes Available: 1/8" x 7/16" - 1" x 1 5/16"
  • Material: Steel
  • Configuration: Compact forged 90° elbow
  • Thread Types: Male NPTF x Male JIC 37° cone
  • Seal Types: NPTF dryseal taper thread; JIC 37° cone metal-to-metal seal
  • Standard Compliance: Manufactured to BS EN 10277
  • Temperature Range: -40°C to +120°C without pressure reduction
  • Pressure Ratings:
  • Proof Pressure: 2× working pressure
  • Burst Pressure: 4× working pressure
  • Torque Guidance: For lightly oiled steel threads
  • Quality Assurance: ISO 9001-certified manufacturing

Description

This compact forged 90° elbow connects a male NPTF dryseal taper thread to a male JIC 37° cone, allowing secure transition between American NPTF pipe systems and JIC hydraulic fittings. The NPTF end provides a pressure-tight seal without the need for additional sealants, while the JIC 37° cone delivers a reliable, leak-free metal-to-metal connection. Its forged steel construction to BS EN 10277 ensures exceptional strength and longevity, and the compact profile is ideal for confined hydraulic layouts where durability and precision are essential.

Key Features & Benefits

  • Compact Forged 90° Elbow: Strong and space-saving hydraulic fitting
  • NPTF Dryseal Thread: Leak-free seal without extra sealants
  • JIC 37° Cone: Reliable high-pressure metal-to-metal seal
  • Cross-Standard Connectivity: Links NPTF pipe to JIC hydraulic fittings
  • Forged Steel Strength: High durability in demanding applications
  • Precision Engineering: Manufactured to BS EN 10277 for accuracy
  • ISO Certified Quality: Built to ISO 9001 standards

Downloads

Burnett & Hillman Pressure Guide

 

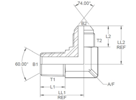
SKU Product Code T1 (") T2 (") B1 (") B2 (") L1 (") L2 (") LL1 (") LL2 (") A/F (")
380939 04050FD 1/8 7/16 0.188  0.172 0.38 0.535 0.78 0.89 0.438
380940 04053FD 1/4 7/16 0.281 0.172 0.56 0.535 1.09 1.06 0.562
380941 04059FD 3/8 9/16 0.406 0.297 0.56 0.541 1.22 1.17 0.75
380942 04060FD 3/8 3/4 0.406 0.391 0.56 0.642 1.22 1.25 0.75
380943 04065FD 1/2 3/4 0.531 0.391 0.75 0.642 1.47 1.31 0.875
380944 04073FD 3/4 1 1/16 0.719 0.609 0.75 0.849 1.59 1.66 1.062
380945 04076FD 1 1 5/16 0.938 0.844 0.94 0.896 1.97 1.81 1.312

 

IMPORTANT: The technical data given on this website is for preliminary information purposes only and is published without guarantee. All line drawings are for illustrative purposes only and should not be regarded as wholly accurate in every detail. We reserve the right to withdraw or to alter the specification of any product without notice. For more information, please consult our Terms of Business.

If you require any further information, our excellent customer service team is here to help so please call us on 01794 835835.

 

Grouped product items
Code Product Name List Price You Save You Pay Quantity
380939 BH Male Forged Compact 90 Elbow NPTF x JIC 1/8" x 7/16" £7.13 50%
You Pay:  £3.57
380940 BH Male Forged Compact 90 Elbow NPTF x JIC 1/4" x 7/16" £8.50 50%
You Pay:  £4.25
380941 BH Male Forged Compact 90 Elbow NPTF x JIC 3/8" x 9/16" £8.53 50%
You Pay:  £4.27
380942 BH Male Forged Compact 90 Elbow NPTF x JIC 3/8" x 3/4" £10.27 50%
You Pay:  £5.13
380943 BH Male Forged Compact 90 Elbow NPTF x JIC 1/2" x 3/4" £10.40 50%
You Pay:  £5.20
380944 BH Male Forged Compact 90 Elbow NPTF x JIC 3/4" x 1 1/16" £17.07 50%
You Pay:  £8.53
380945 BH Male Forged Compact 90 Elbow NPTF x JIC 1" x 1 5/16" £33.13 50%
You Pay:  £16.57