BH NPT x SAE 45° Cone Compact 90° Male Elbow

Loading...
Useful Information

Technical Specification

  • Sizes Available: 1/8" x 7/16" - 1/2" x 5/8"
  • Material: Steel
  • Configuration: Compact 90° elbow
  • Thread Types: Male NPT x Male SAE 45° cone
  • Seal Types: NPT taper thread seal; SAE 45° cone metal-to-metal seal
  • Standard Compliance: Manufactured to BS EN 10277
  • Temperature Range: -40°C to +120°C without pressure reduction
  • Pressure Ratings:
  • Proof Pressure: 2× working pressure
  • Burst Pressure: 4× working pressure
  • Torque Guidance: For lightly oiled steel threads
  • Quality Assurance: ISO 9001-certified manufacturing

Description

This compact 90° elbow is designed to connect a male NPT taper thread to a male SAE 45° cone, allowing a secure transition between NPT pipework and SAE hydraulic fittings. The NPT end offers a tight, pressure-sealing connection, while the SAE 45° cone provides a dependable metal-to-metal seal for high-pressure applications. Its compact steel construction to BS EN 10277 makes it a robust, space-saving choice for hydraulic systems where durability and precision are essential.

Key Features & Benefits

  • Compact 90° Elbow: Saves space in restricted hydraulic layouts
  • NPT Taper Thread: Creates a strong, pressure-tight seal
  • SAE 45° Cone: Reliable high-pressure metal-to-metal connection
  • Cross-Standard Connection: Links NPT pipe to SAE fittings
  • Steel Strength: Long-lasting durability for demanding environments
  • Precision Machining: Manufactured to BS EN 10277 standards
  • ISO Certified Quality: Built under ISO 9001 certification

Downloads

Burnett & Hillman Pressure Guide
 
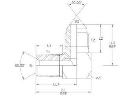
SKU Product Code  T1 (") T2 (") B1 (")  B2 (")   L1 (") L2 (")  O/L (")   LL1 (") LL2 (")   A/F (")
381015  07020 1/8 7/16 0.188 0.187 0.38 0.585 0.88 0.63 0.835 0.5
381016 07021 1/8 1/2 0.188 0.219 0.38 0.62 1.02 0.7 0.932 0.625
381017 07022 1/4 7/16 0.25 0.187 0.625 0.585 1.39 1.078 0.897 0.625
381018 07023 1/4 1/2 0.25 0.219 0.625 0.62 1.39 1.078 0.932 0.625
381019 07024 1/4 5/8 0.25 0.281 0.69 0.75 1.44 1.065 1.15 0.75
381020 07025 1/4 3/4 0.25 0.406 0.69 0.82 1.575 1.127 1.285 0.875
381021 07026 3/8 7/16 0.375 0.187 0.69 0.585 1.56 1.185 0.96 0.75
381022  07027 3/8 1/2 0.375 0.219 0.69 0.62 1.56 1.185 0.995 0.75
381023 07028  3/8 5/8 0.375 0.281 0.69 0.75 1.465 1.077 1.125 0.75
381024 07029  3/8 3/4 0.375 0.406 0.69 0.82 1.565 1.257 1.285 0.875
381025  07030 3/8 7/8 0.375 0.5 0.69 0.89 1.69 1.19 1.395 1
381026 07031  1/2 5/8 0.5 0.281 0.84 0.75 1.84 1.403 1.187 0.875

 

IMPORTANT: The technical data given on this website is for preliminary information purposes only and is published without guarantee. All line drawings are for illustrative purposes only and should not be regarded as wholly accurate in every detail. We reserve the right to withdraw or to alter the specification of any product without notice. For more information, please consult our Terms of Business.

If you require any further information, our excellent customer service team is here to help so please call us on 01794 835835.

 

Grouped product items
Code Product Name List Price You Save You Pay Quantity
381015 BH Male Compact 90 Elbow NPT x SAE 45 Cone 1/8" x 7/16" £7.23 50%
You Pay:  £3.62
381016 BH Male Compact 90 Elbow NPT x SAE 45 Cone 1/8" x 1/2" £7.23 50%
You Pay:  £3.62
381017 BH Male Compact 90 Elbow NPT x SAE 45 Cone 1/4" x 7/16" £7.23 50%
You Pay:  £3.62
381018 BH Male Compact 90 Elbow NPT x SAE 45 Cone 1/4" x 1/2" £7.23 50%
You Pay:  £3.62
381019 BH Male Compact 90 Elbow NPT x SAE 45 Cone 1/4" x 5/8" £7.23 50%
You Pay:  £3.62
381020 BH Male Compact 90 Elbow NPT x SAE 45 Cone 1/4" x 3/4" £8.73 50%
You Pay:  £4.37
381021 BH Male Compact 90 Elbow NPT x SAE 45 Cone 3/8" x 7/16" £9.10 50%
You Pay:  £4.55
381022 BH Male Compact 90 Elbow NPT x SAE 45 Cone 3/8" x 1/2" £9.10 50%
You Pay:  £4.55
381023 BH Male Compact 90 Elbow NPT x SAE 45 Cone 3/8" x 5/8" £9.10 50%
You Pay:  £4.55
381024 BH Male Compact 90 Elbow NPT x SAE 45 Cone 3/8" x 3/4" £10.23 50%
You Pay:  £5.12
381025 BH Male Compact 90 Elbow NPT x SAE 45 Cone 3/8" x 7/8" £17.60 50%
You Pay:  £8.80
381026 BH Male Compact 90 Elbow NPT x SAE 45 Cone 1/2" x 5/8" £10.23 50%
You Pay:  £5.12