Temperature Range: -40°C to +120°C without pressure reduction
Pressure Ratings:
Proof Pressure: 2× working pressure
Burst Pressure: 4× working pressure
Torque Guidance: For lightly oiled steel threads
Quality Assurance: ISO 9001-certified manufacturing
Description
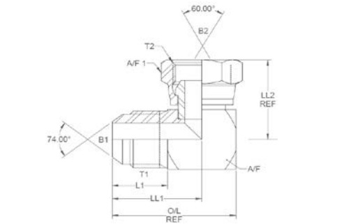
This compact 90° elbow features a JIC male end and a JIC swivel female end, both with a 37° cone for reliable metal-to-metal sealing. The swivel female connection simplifies installation and alignment, reducing the need to rotate hoses or pipes. Its compact design is ideal for confined spaces, while the steel construction ensures strength, durability, and high-pressure performance. Precision-engineered to BS EN 10277 standards, it offers a secure, leak-free connection for demanding hydraulic applications.
Key Features & Benefits
Compact 90° Elbow: Space-saving design for tight installations
JIC 37° Cone: Proven metal-to-metal seal for reliability
Male x Swivel Female: Easier installation and alignment
Durable Steel Construction: Handles high-pressure systems with ease
Precision Machining: Manufactured to BS EN 10277 for exact fit
ISO Certified Quality: Produced under ISO 9001 standards
Downloads
Burnett & Hillman Pressure Guide
SKU
Product Code
T1 & T2 (")
B1 (")
B2 (")
L1 (")
O/L (")
LL1 (")
LL2 (")
A/F (mm)
A/F1
381117
XJMF0707
7/16
0.172
0.176
0.64
1.135
0.885
1
12
14mm
381118
XJMF0808
1/2
0.234
0.234
0.64
1.26
0.944
1.059
14
0.625"
381119
XJMF0909
9/16
0.297
0.297
0.65
1.35
1.062
1.251
14
0.687"
381120
XJMF1212
3/4
0.391
0.391
0.775
1.68
1.26
1.381
19
22
381121
XJMF1414
7/8
0.484
0.484
0.875
1.933
1.457
1.618
22
1"
381122
XJMF1717
1 1/16
0.609
0.609
0.99
2.244
1.654
1.748
27
1.25"
381123
XJMF2121
1 5/16
0.844
0.844
1.1
2.56
1.811
2
32
1.5"
381124
XJMF2626
1 5/8
1.078
1.078
1.1
2.93
2.066
2.311
41
50mm
IMPORTANT: The technical data given on this website is for preliminary information purposes only and is published without guarantee. All line drawings are for illustrative purposes only and should not be regarded as wholly accurate in every detail. We reserve the right to withdraw or to alter the specification of any product without notice. For more information, please consult our Terms of Business.
If you require any further information, our excellent customer service team is here to help so please call us on 01794 835835.