BH JIC 37° Cone Compact 90° Male Elbow

Loading...
Useful Information

Technical Specification

  • Sizes Available: 9/16" - 1 7/8"
  • Material: Steel
  • Thread Type: JIC male x JIC male
  • Seal Type: 37° cone metal-to-metal seal
  • Configuration: Compact 90° elbow – male x male
  • Standard Compliance: Manufactured to BS EN 10277
  • Temperature Range: -40°C to +120°C without pressure reduction
  • Pressure Ratings:
  • Proof Pressure: 2× working pressure
  • Burst Pressure: 4× working pressure
  • Torque Guidance: For lightly oiled steel threads
  • Quality Assurance: ISO 9001-certified manufacturing

Description

This compact 90° elbow features JIC male threads on both ends with a 37° cone metal-to-metal seal, ensuring a secure, leak-free connection in hydraulic and fluid transfer systems. The compact design makes it ideal for applications with restricted installation space, while its steel construction provides strength, durability, and long service life. Precision-engineered to BS EN 10277 standards, it offers exceptional sealing reliability and resistance to high operating pressures.

Key Features & Benefits

  • Compact 90° Elbow: Space-saving design for tight installations
  • JIC 37° Cone: Reliable metal-to-metal sealing
  • Male x Male Connection: Strong and versatile joint option
  • Durable Steel Construction: Withstands high pressures
  • Precision Machined: Complies with BS EN 10277 for exact fitment
  • ISO Certified Quality: Manufactured under ISO 9001 standards

Downloads

Burnett & Hillman Pressure Guide

 

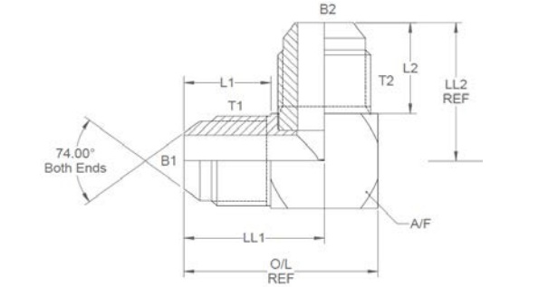
SKU Product Code T1 & T2 (") B1 & B2 (") L1 (") L2 (") O/L (") LL1 (") LL2 (") A/F (")
381110 XMJ0909 9/16 0.296  0.65 0.65 1.37 1.075 1.075 0.540
381111 XMJ1212 3/4 0.391 0.79 0.79 1.66 1.295 1.295 0.750
381112 XMJ1717 1 1/16 0.609 0.99 1.09 2.215 1.602 1.652 1.125
381113 XMJ1919 1 3/16 0.719 1.1 1.13 2.475 1.787 1.817 1.375
381114 XMJ2121 1 5/16 0.844 1.075 1.075 2.53 1.83 1.83 1.300
381115 XMJ2626 1 5/8 1.078 1.2 1.23 3 2.1 2.105 1.75
381116 XMJ3030 1 7/8 1.312 1.22 1.22 3.375 2.37 2.37 1.860

 

IMPORTANT: The technical data given on this website is for preliminary information purposes only and is published without guarantee. All line drawings are for illustrative purposes only and should not be regarded as wholly accurate in every detail. We reserve the right to withdraw or to alter the specification of any product without notice. For more information, please consult our Terms of Business.

If you require any further information, our excellent customer service team is here to help so please call us on 01794 835835.

 

Grouped product items
Code Product Name List Price You Save You Pay Quantity
381110 BH Male Compact 90 Elbow JIC 9/16" x 9/16" £7.13 50%
You Pay:  £3.57
381111 BH Male Compact 90 Elbow JIC 3/4" x 3/4" £9.93 50%
You Pay:  £4.97
381112 BH Male Compact 90 Elbow JIC 1 1/16" x 1 1/16" £12.37 50%
You Pay:  £6.18
381113 BH Male Compact 90 Elbow JIC 1 3/16" x 1 3/16" £18.07 50%
You Pay:  £9.03
381114 BH Male Compact 90 Elbow JIC 1 5/16" x 1 5/16" £24.40 50%
You Pay:  £12.20
381115 BH Male Compact 90 Elbow JIC 1 5/8" x 1 5/8" £48.43 50%
You Pay:  £24.22
381116 BH Male Compact 90 Elbow JIC 1 7/8" x 1 7/8" £77.20 50%
You Pay:  £38.60