BH BSPT Male Compact 90° Elbow

Loading...
Useful Information

Technical Specification

  • Sizes Available: 1/4" - 1 1/4"
  • Material: Steel
  • Configuration: Compact 90° elbow – male x male
  • Thread Type: BSPT (British Standard Pipe Taper) male x BSPT male
  • Standard Compliance: Manufactured to BS EN 10277
  • Temperature Range: -40°C to +120°C without pressure reduction
  • Pressure Ratings:
  • Proof Pressure: 2× working pressure
  • Burst Pressure: 4× working pressure
  • Torque Guidance: For lightly oiled steel threads
  • Quality Assurance: ISO 9001-certified manufacturing

Description

This compact 90° elbow features BSPT male threads on both ends, offering a strong and secure taper thread connection for hydraulic and fluid systems. Its compact design makes it perfect for installations in confined spaces, while the precision-machined steel construction ensures durability and long service life under demanding pressure conditions. Manufactured to BS EN 10277 standards, it delivers a reliable, high-quality connection for a wide range of industrial applications.

Key Features & Benefits

  • Compact 90° Elbow: Designed for use in tight installations
  • BSPT Male x Male: Provides a robust tapered-thread seal
  • Durable Steel Build: Withstands high-pressure conditions
  • Precision Machined: Meets BS EN 10277 for exact fit and performance
  • Space-Saving: Ideal for compact hydraulic layouts
  • ISO Certified Quality: Produced under ISO 9001 standards

Downloads

Burnett & Hillman Pressure Guide
 
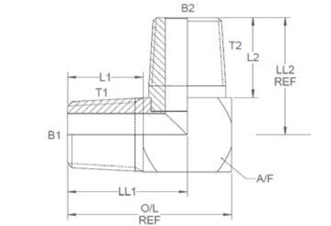
SKU Product Code T1 (") T2 (") B1 & B2 (") L1 (") L2 (") O/L (") LL1 (") LL2 (") A/F (")
380030 83000 1/4 1/4  0.25 0.6 0.676 1.275 0.937 0.988 0.625
380031 83001 3/8 3/8 0.375 0.69 0.7 1.465 1.077 1.075 0.75
380032 83002 1/2 1/2 0.5 0.85 0.94 1.85 1.35 1.377 0.875
380033 83003 3/4 3/4 0.687 0.97 0.97 2.21 1.59 1.532 1.125
380034 83004 1 1 0.875 1.25 1.3 2.75 2 1.987 1.375
380035 83005 1 1/4 1 1/4 1.203 1.5 1.65 3.3 2.4 2.525 1.75

 

IMPORTANT: The technical data given on this website is for preliminary information purposes only and is published without guarantee. All line drawings are for illustrative purposes only and should not be regarded as wholly accurate in every detail. We reserve the right to withdraw or to alter the specification of any product without notice. For more information, please consult our Terms of Business.

If you require any further information, our excellent customer service team is here to help so please call us on 01794 835835.

 

Grouped product items
Code Product Name List Price You Save You Pay Quantity
380030 BH Male Compact 90 Elbow BSPT 1/4" x 1/4" £8.90 50%
You Pay:  £4.45
380031 BH Male Compact 90 Elbow BSPT 3/8" x 3/8" £10.23 50%
You Pay:  £5.12
380032 BH Male Compact 90 Elbow BSPT 1/2" x 1/2" £12.03 50%
You Pay:  £6.02
380033 BH Male Compact 90 Elbow BSPT 3/4" x 3/4" £18.07 50%
You Pay:  £9.03
380034 BH Male Compact 90 Elbow BSPT 1" x 1" £25.07 50%
You Pay:  £12.53
380035 BH Male Compact 90 Elbow BSPT 1 1/4" x 1 1/4" £56.20 50%
You Pay:  £28.10