BH BSPP 60° Cone x NPT Compact 90° Male Elbow

Loading...
Useful Information

Technical Specification

  • Sizes Available: 1/8" - 1"
  • Material: Steel
  • Configuration: Compact 90° elbow
  • Seal Type: BSPP 60° cone metal-to-metal seal
  • Thread Types: Male BSPP 60° cone x Male BSPT
  • Standard Compliance: Manufactured to BS EN 10277
  • Temperature Range: -40°C to +120°C without pressure reduction
  • Pressure Ratings:
  • Proof Pressure: 2× working pressure
  • Burst Pressure: 4× working pressure
  • Torque Guidance: For lightly oiled steel threads
  • Quality Assurance: ISO 9001-certified manufacturing

Description

This compact 90° elbow connects a male BSPP 60° cone to a male BSPT thread, providing a secure, high-integrity hydraulic connection. The BSPP 60° cone end ensures a reliable metal-to-metal seal, while the BSPT thread delivers a robust taper fit. The compact design is ideal for installations where space is limited, and the high-quality steel forging offers exceptional strength and durability. Precision-machined to BS EN 10277, this fitting is suitable for demanding hydraulic and pneumatic systems.

Key Features & Benefits

  • Compact 90° Elbow: Perfect for tight-space applications
  • BSPP 60° Cone Seal: Proven leak-free performance
  • BSPT Thread Connection: Strong, self-sealing taper fit
  • Durable Steel Construction: Handles high pressures with ease
  • Precision Engineering: Manufactured to BS EN 10277 for an accurate fit
  • ISO Certified Quality: Produced under ISO 9001 standards

Downloads

Burnett & Hillman Pressure Guide
 
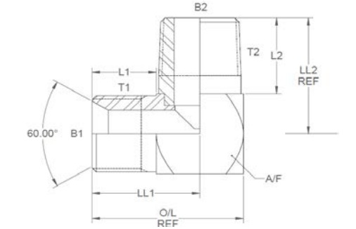
SKU Product Code T1 (") T2 (") B1 (") B2 (") L1 (") L2 (") O/L (") LL1 (") LL2 (") A/F (")
379956 XMBP02T02 1/8 1/8 0.156 0.156 0.5 0.52 1.01 0.755 0.77 0.5
379957 XMBP04T02 1/4 1/8 0.185 0.187 0.565 0.52 1.335 0.993 0.832 0.625
379958 XMBP04T04 1/4 1/4 0.185 0.25 0.565 0.68 1.335 0.95 0.992 0.625
379959 XMBP06T06 3/8 3/8 0.312 0.375 0.6 0.705 0.705 1.06 1.08 0.75
379960 XMBP08T06 1/2 3/8 0.437 0.375 0.74 0.705 1.84 1.38 1.142 0.875
379961 XMBP08T08 1/2 1/2 0.437 0.5 0.74 0.94 1.84 1.329 1.377 0.875
379962 XMBP12T12 3/4 3/4 0.625 0.687 0.687 0.96 2.06 1.44 1.522 1.125
379963 XMBP16T16 1 1 0.812 0.843 0.843 1.3 2.475 1.762 1.987 1.375

 

IMPORTANT: The technical data given on this website is for preliminary information purposes only and is published without guarantee. All line drawings are for illustrative purposes only and should not be regarded as wholly accurate in every detail. We reserve the right to withdraw or to alter the specification of any product without notice. For more information, please consult our Terms of Business.

If you require any further information, our excellent customer service team is here to help so please call us on 01794 835835.

 

Grouped product items
Code Product Name List Price You Save You Pay Quantity
379956 BH Male Compact 90 Elbow BSPP 60 Cone x BSPT 1/8" x 1/8" £8.90 50%
You Pay:  £4.45
379957 BH Male Compact 90 Elbow BSPP 60 Cone x BSPT 1/4" x 1/8" £8.90 50%
You Pay:  £4.45
379958 BH Male Compact 90 Elbow BSPP 60 Cone x BSPT 1/4" x 1/4" £8.90 50%
You Pay:  £4.45
379959 BH Male Compact 90 Elbow BSPP 60 Cone x BSPT 3/8" x 3/8" £10.23 50%
You Pay:  £5.12
379960 BH Male Compact 90 Elbow BSPP 60 Cone x BSPT 1/2" x 3/8" £12.03 50%
You Pay:  £6.02
379961 BH Male Compact 90 Elbow BSPP 60 Cone x BSPT 1/2" x 1/2" £12.03 50%
You Pay:  £6.02
379962 BH Male Compact 90 Elbow BSPP 60 Cone x BSPT 3/4" x 3/4" £18.07 50%
You Pay:  £9.03
379963 BH Male Compact 90 Elbow BSPP 60 Cone x BSPT 1" x 1" £25.07 50%
You Pay:  £12.53