BH BSPP 60° Cone Male x Swivel Female Compact 90° Elbow

Loading...
Useful Information

Technical Specification

  • Sizes Available: 1/4" x 1/8" - 2"
  • Material: Steel
  • Seal Type: 60° cone metal-to-metal seal
  • Thread Type: BSPP (British Standard Pipe Parallel)
  • Configuration: Compact 90° elbow – male x swivel female
  • Standard Compliance: Manufactured to BS EN 10277
  • Temperature Range: -40°C to +120°C without pressure reduction
  • Pressure Ratings:
  • Proof Pressure: 2× working pressure
  • Burst Pressure: 4× working pressure
  • Torque Guidance: For lightly oiled steel threads
  • Quality Assurance: ISO 9001-certified manufacturing

Description

This compact 90° elbow features a BSPP male end designed for cone seal connection and a BSPP swivel female end with a 60° cone. The male cone seal ensures a secure, high-pressure metal-to-metal joint, while the swivel female allows easy installation and precise alignment without twisting hoses or pipes. Its compact forged design makes it ideal for tight-space hydraulic applications, and the high-grade steel construction ensures strength and durability.

Key Features & Benefits 

  • Compact 90° Elbow: Ideal for confined installations
  • Male Cone Seal Connection: Provides secure high-pressure sealing
  • Swivel Female End: Simplifies installation and alignment
  • 60° Cone Seal: Ensures reliable, leak-free joints
  • Durable Steel Build: Long service life in demanding conditions
  • Precision Machined: Manufactured to BS EN 10277 for exact fit
  • ISO Certified Quality: Produced under ISO 9001 standards

Downloads

Burnett & Hillman Pressure Guide

 

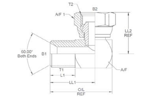
SKU Product Code Male Thread T1 (") Female Thread T2 (") B1 (") B2 (") L1 (") O/L (") LL1 (") LL2 (") A/F (") A/F1 (mm)
379980 XBMF0402 1/4 1/8 0.185  0.125 0.565 1.335 0.993 0.88 0.625 14
379981 XBMF0404 1/4 1/4 0.185 0.172 0.565 1.335 0.993 0.975 0.625 19
379982 XBMF0406 1/4 3/8 - - - - - - - -
379983 XBMF0604 3/8 1/4 0.375 0.172 0.6 1.52 1.085 1.04 0.75 19
379984 XBMF0606 3/8 3/8 0.312 0.271 0.6 1.52 1.085 1.158 0.75 22
379985 XBMF0608 3/8 1/2 - - - - - - - -
379986 XBMF0612 3/8 3/4 - - - - - - - -
379987 XBMF0806 1/2 3/8 0.437 0.271 0.74 1.84 1.329 1.21 0.875 22
379988 XBMF0808 1/2 1/2 0.437 0.375 0.74 1.84 1.329 1.283 0.875 27
379989 XBMF0812 1/2 3/4 - - - - - - - -
379990 XBMF0816 1/2 1 - - - - - - - -
379991 XBMF1212 3/4 3/4 0.625 0.6 0.82 2.06 1.44 1.468 1.125 32
379992 XBMF1216 3/4 1 - - - - - - - -
379993 XBMF1612 1 3/4 0.812 0.6 1.05 2.475 1.855 1.603 1.375 32
379994 XBMF1616 1 1 0.812 0.797 1.05 2.475 1.762 1.724 1.375 41
379995 XBMF2424 1 1/2 1 1/2 1.312 1.201 1.4 3.45 2.425 2.352 2 55
379996 XBMF3232 2 2 1.75 1.75 1.5 4.25 2.875 2.817 2.5 70

 

IMPORTANT: The technical data given on this website is for preliminary information purposes only and is published without guarantee. All line drawings are for illustrative purposes only and should not be regarded as wholly accurate in every detail. We reserve the right to withdraw or to alter the specification of any product without notice. For more information, please consult our Terms of Business.

If you require any further information, our excellent customer service team is here to help so please call us on 01794 835835.

 

Grouped product items
Code Product Name List Price You Save You Pay Quantity
379980 BH 90 Elbow BSPP Male Cone x BSPP Female 1/4" x 1/8" £6.73 50%
You Pay:  £3.37
379981 BH 90 Elbow BSPP Male Cone x BSPP Female 1/4" x 1/4" £6.73 50%
You Pay:  £3.37
379982 BH 90 Elbow BSPP Male Cone x BSPP Female 1/4" x 3/8" £9.57 50%
You Pay:  £4.78
379983 BH 90 Elbow BSPP Male Cone x BSPP Female 3/8" x 1/4" £9.57 50%
You Pay:  £4.78
379984 BH 90 Elbow BSPP Male Cone x BSPP Female 3/8" x 3/8" £8.27 50%
You Pay:  £4.13
379985 BH 90 Elbow BSPP Male Cone x BSPP Female 3/8" x 1/2" £10.23 50%
You Pay:  £5.12
379986 BH 90 Elbow BSPP Male Cone x BSPP Female 3/8" x 3/4" £15.50 50%
You Pay:  £7.75
379987 BH 90 Elbow BSPP Male Cone x BSPP Female 1/2" x 3/8" £10.23 50%
You Pay:  £5.12
379988 BH 90 Elbow BSPP Male Cone x BSPP Female 1/2" x 1/2" £10.23 50%
You Pay:  £5.12
379989 BH 90 Elbow BSPP Male Cone x BSPP Female 1/2" x 3/4" £16.20 50%
You Pay:  £8.10
379990 BH 90 Elbow BSPP Male Cone x BSPP Female 1/2" x 1" £24.07 50%
You Pay:  £12.03
379991 BH 90 Elbow BSPP Male Cone x BSPP Female 3/4" x 3/4" £15.50 50%
You Pay:  £7.75
379992 BH 90 Elbow BSPP Male Cone x BSPP Female 3/4" x 1" £24.07 50%
You Pay:  £12.03
379993 BH 90 Elbow BSPP Male Cone x BSPP Female 1" x 3/4" £24.07 50%
You Pay:  £12.03
379994 BH 90 Elbow BSPP Male Cone x BSPP Female 1" x 1" £24.07 50%
You Pay:  £12.03
379995 BH 90 Elbow BSPP Male Cone x BSPP Female 1 1/2" x 1 1/2" £90.43 50%
You Pay:  £45.22
379996 BH 90 Elbow BSPP Male Cone x BSPP Female 2" x 2" £140.47 50%
You Pay:  £70.23