BH BSPP 60° Cone Compact 90° Male Elbow for Bonded Seal

Loading...
Useful Information

Technical Specification

  • Sizes Available: 1/4" x 1/8" -1 1/4"
  • Material: Steel
  • Thread Type: BSPP (British Standard Pipe Parallel) male
  • Seal Type: 60° cone metal-to-metal seal, bonded seal compatible
  • Standard Compliance: Manufactured to BS EN 10277
  • Temperature Range: -40°C to +120°C without pressure reduction
  • Pressure Ratings:
  • Proof Pressure: 2× working pressure
  • Burst Pressure: 4× working pressure
  • Torque Guidance: For lightly oiled steel threads
  • Quality Assurance: ISO 9001-certified manufacturing

Description

This compact 90° elbow features BSPP male threads with a 60° cone designed for use with bonded seals, ensuring a secure, high-pressure seal in hydraulic and fluid systems. Its compact form makes it ideal for installations with limited space while maintaining reliable metal-to-metal sealing. Manufactured from high-quality steel to BS EN 10277 standards, it delivers strength, precision, and durability for demanding applications.

Key Features & Benefits

  • Compact 90° Elbow: Perfect for tight-space installations
  • Bonded Seal Compatible: Enhanced sealing for high-pressure use
  • 60° Cone Seal: Leak-free, metal-to-metal connection
  • Dual BSPP Male Threads: Versatile connection capability
  • Durable Steel Construction: Withstands demanding hydraulic environments
  • Precision Machining: Manufactured to BS EN 10277 for accurate fit and performance
  • ISO Certified Quality: Produced under ISO 9001 standards

Downloads

Burnett & Hillman Pressure Guide

 

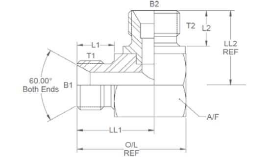
SKU Product Code T1 (") T2 (") B1 (") B2 (") L1 (") L2 (") O/L (") LL1 (") LL2 (") A/F (mm)
379948 XMBS0202 1/4 1/8 0.25  0.156 0.45 0.44 1.27 0.93 0.914 19
379949 XMBS0404 1/4 1/4 0.185 0.185 0.45 0.45 1.27 0.93 0.934 19
379950 XMBS0606 3/8 3/8 0.312 0.296 0.52 0.52 1.58 1.164 1.078 22
379951 XMBS0808 1/2 1/2 0.437 0.39 0.6 0.6 1.75 1.239 1.256 27
379952 XMBS1212 3/4 3/4 0.625 0.562 0.75 0.75 2.22 1.585 1.53 32
379953 XMBS1612 1 3/4 0.875 0.562 0.8 0.75 2.66 2.025 1.707 41
379954 XMBS1616 1 1 0.875 0.75 0.8 0.8 2.66 1.86 1.767 41
379955 XMBS2020 1 1/4 1 1/4 1.125 0.875 0.8 0.8 3.085 2.135 1.969 50

 

IMPORTANT: The technical data given on this website is for preliminary information purposes only and is published without guarantee. All line drawings are for illustrative purposes only and should not be regarded as wholly accurate in every detail. We reserve the right to withdraw or to alter the specification of any product without notice. For more information, please consult our Terms of Business.

If you require any further information, our excellent customer service team is here to help so please call us on 01794 835835.

 

Grouped product items
Code Product Name List Price You Save You Pay Quantity
379947 BH Male Compact 90 Elbow BSPP Bonded Seal 1/8" x 1/8" £8.30 50%
You Pay:  £4.15
379948 BH Male Compact 90 Elbow BSPP Bonded Seal 1/4" x 1/8" £6.43 50%
You Pay:  £3.22
379949 BH Male Compact 90 Elbow BSPP Bonded Seal 1/4" x 1/4" £6.43 50%
You Pay:  £3.22
379950 BH Male Compact 90 Elbow BSPP Bonded Seal 3/8" x 3/8" £8.30 50%
You Pay:  £4.15
379951 BH Male Compact 90 Elbow BSPP Bonded Seal 1/2" x 1/2" £8.90 50%
You Pay:  £4.45
379952 BH Male Compact 90 Elbow BSPP Bonded Seal 3/4" x 3/4" £14.03 50%
You Pay:  £7.02
379953 BH Male Compact 90 Elbow BSPP Bonded Seal 1" x 3/4" £27.53 50%
You Pay:  £13.77
379954 BH Male Compact 90 Elbow BSPP Bonded Seal 1" x 1" £27.53 50%
You Pay:  £13.77
379955 BH Male Compact 90 Elbow BSPP Bonded Seal 1 1/4" x 1 1/4" £57.77 50%
You Pay:  £28.88