Union Plain x Thread F
Useful Information
Technical Specification
- Manufacturer: Effast
- Material: PVCu (Unplasticised Polyvinyl Chloride)
- Connection Type: Plain (solvent weld) x Female BSP Thread Union
- Size Range: 20mm x 1/2″ – 110mm x 4″
- Pressure Rating: 15 bar at 20°C
- Operating Temperature: 5°C to +60°C
Description
This union fitting provides a demountable connection between a plain-end PVC pipe and a BSP male-threaded component. Designed for systems that may require maintenance or disassembly, it offers the flexibility of a reusable joint while ensuring a secure, pressure-resistant seal.
Important: The BSP thread may be supplied on either side of the union. Product image is for illustrative purposes only.
Key Features & Benefits
- Allows easy disconnection between the PVC pipe and the BSP thread
- Combines solvent-weld and mechanical jointing methods
- Reusable union ideal for maintenance access
- Robust, corrosion-resistant PVCu construction

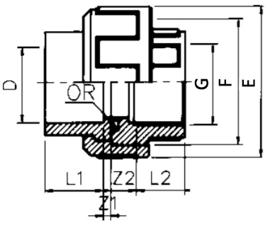
| SKU | Supplier Code | Nominal Size (mm x Inch) | L1 (mm) | L2 (mm) | Z1 (mm) | Z2 (mm) | F (Inch) | E (mm) |
| 356544 | RFPBOP020B | 20 x 1/2 | 16 | 15 | 3 | 11 | 1 | 42 |
| 356545 | RFPBOP025C | 25 x 3/4 | 19 | 16 | 3 | 13 | 1 1/4 | 52 |
| 356546 | RFPBOP032D | 32 x 1 | 22 | 19 | 3 | 13 | 1 1/2 | 59 |
| 356547 | RFPBOP040E | 40 x 1 1/4 | 26 | 21 | 3 | 17 | 2 | 72 |
| 356548 | RFPBOP050F | 50 x 1 1/2 | 31 | 21 | 3 | 24 | 2 1/4 | 79 |
| 356549 | RFPBOP063G | 63 x 2 | 38 | 26 | 3 | 30 | 2 3/4 | 79 |
| 359898 | RFPBOP075H | 75 x 2 1/2 | 44 | 30 | 3 | 32 | 3 1/2 | 96 |
| 359899 | RFPBOP090I | 90 x 3 | 51 | 33 | 5 | 36 | 4 | 134 |
| 359900 | RFPBOP110L | 110 x 4 | 61 | 39 | 5 | 40 | 5 | 163 |
