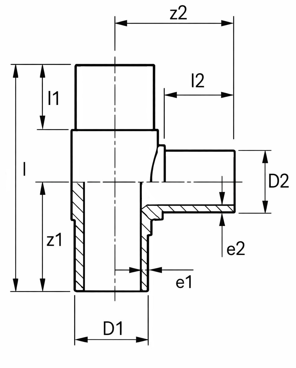
Long Reducing Tee
Key Features / Tech Specs:
- Manufactured from Polypropylene
- Approved for water use only
- Profiled fitting body to spread stresses
- Creates a strong and reliable joint
Basic Fitting Guidelines:
It is always important to read the manufacturer's instructions on how to use electrofusion fittings. The following procedure is a guideline only and involves the following basic steps:
- Thoroughly clean and dry the pipework to be joined.
- Insert the pipework into the electrofusion fitting.
- Run the required voltage through the fitting for the specified time.
- Stop the current and leave the assembly to cool for specified time.
Useful Info:
Electrofusion is one of the most effective ways of joining PP and other plastic pipework. It gives a secure and reliable joint which tends to be more reliable than other joining techniques.
Electrofusion fittings are designed with built-in electric heating element, which are heated in order to weld pipe systems together. When the voltage is running through the fitting, the heater coils melt the inside of the fitting and the outside of the pipe wall, welding together the pipework and producing a very strong homogenous joint.
If you require any further information, our excellent customer service team is here to help so please call us on 01794 835835.
Â
