Blanking Flange NP10/16
Useful Information
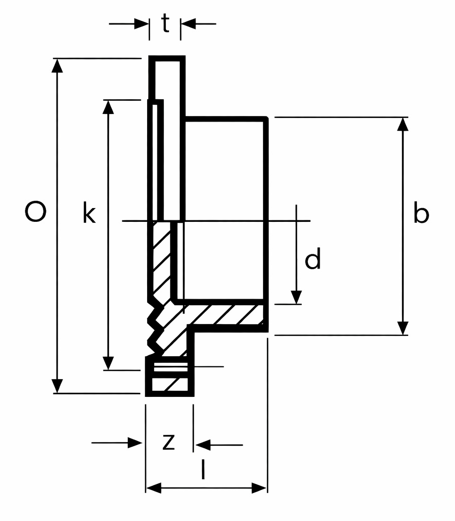
Key Features / Tech Specs & Dimensions:
- Material: polypropylene
- Blanking flange fitting
- Pressure rated to 10 bar
- Manufactured to DIN 16962
- Available in sizes from 20mm to 160mm
| Product Code | d (mm) | b (mm) | I (mm) | t (mm) | O (mm) | z (mm) | Pressure Rating (bar) |
| 355777 | 20 | 27 | 19 | 12 | 95 | 5 | 10 |
| 355778 | 25 | 33 | 22 | 12 | 105 | 6 | 10 |
| 355779 | 32 | 41 | 24 | 12 | 115 | 6 | 10 |
| 355780 | 40 | 50 | 26 | 12 | 136 | 6 | 10 |
| 355781 | 50 | 61 | 28 | 14 | 149 | 5 | 10 |
| 355782 | 63 | 76 | 32 | 18 | 160 | 5 | 10 |
| 355783 | 90 | 108 | 43 | 18 | 200 | 8 | 10 |
| 355784 | 110 | 131 | 50 | 22 | 228 | 9 | 10 |
| 355785 | 160 | 192 | 58 | 22 | 285 | 9 | 10 |
Â
IMPORTANT: The technical data given on this website is for preliminary information purposes only and is published without guarantee. All line drawings are for illustrative purposes only and should not be regarded as wholly accurate in every detail. We reserve the right to withdraw or to alter the specification of any product without notice. For more information, please consult our Terms of Business.
Useful Info:
Blanking Flange is used for blanking off in a pph pipework system.
Suitable backing rings should be used to obtain maximum working pressure.
If you require any further information, our excellent customer service team is here to help so please call us on 01794 835835.
Â
