Ball Valve Flanged ATEX/Fire Safe

Loading...
Useful Information

Technical Specification

  • Design: 2-piece, direct mount (ISO 5211)
  • Body Material: Stainless steel
  • Seat Material: TFM 1600
  • Seal Material: Viton
  • Max. Working Pressure: 16/40 bar (depending on model)
  • Temperature Range: -20°C to +200°C
  • Certification: ATEX, Fire Safe, DNV, NACE MR0175
  • Features: Anti-static device, blowout-proof stem, locking lever, investment casting
  • Media Compatibility: Suitable for saturated steam up to 12 bar

Description

Designed for demanding industrial environments, this lever-operated full bore valve offers reliable performance with low pressure drop. Its stainless steel construction ensures durability and resistance to corrosion, while the TFM 1600 seats and Viton seals provide excellent chemical compatibility. The unit's direct mount ISO 5211 interface supports easy actuation, and it meets rigorous standards for fire safety, anti-static operation, and pressure containment. Ideal for process, steam, and general industrial applications.

Key Features & Benefits

  • Full bore design for maximum flow efficiency with minimal restriction
  • Durable stainless steel body with investment cast finish
  • PN16 flanged connections ensure secure integration with pipeline systems
  • Direct mount ISO 5211 interface simplifies actuation upgrades
  • TFM 1600 seat and Viton seals offer superior chemical and thermal resistance
  • ATEX, DNV, NACE MR0175 & Fire Safe approved for enhanced safety and compliance
  • Suitable for saturated steam up to 12 bar, ideal for thermal processes
  • Anti-static & blowout-proof design ensures operational safety
  • Locking lever handle for secure valve position control
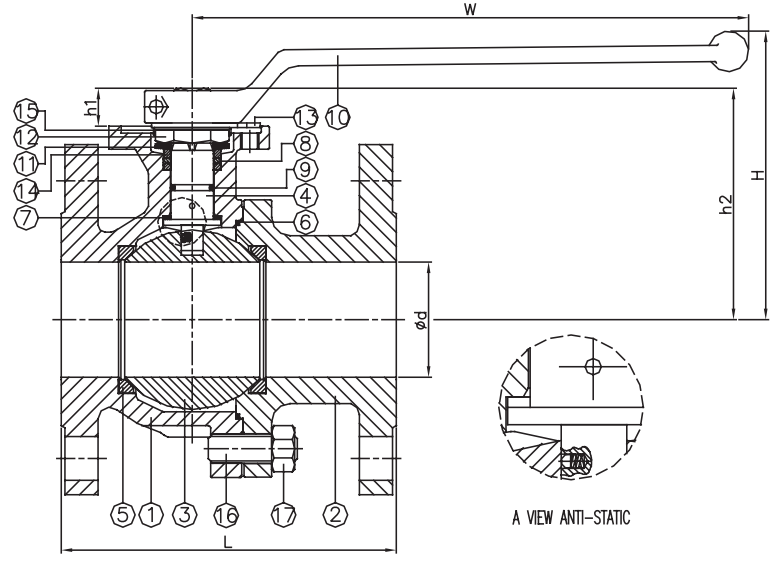
Number Part Name Material
1 Body ASTM A351-CF8M & ASTM A216-WCB
2 Cap
3 Ball ASTM A351-CF8M
4 Stem ASTM A276-316
5 Seat PTFE
6 Seal Graphite
7 Thrust Washer CTFE
8 Packing Graphite
9 O-Ring Viton
10 Handle AISI 304
11 Belleville Washer AISI 301
12 Stem Nut AISI 304
13 Locking Device
14 Gland Ring
15 Locking Washer
16 Bolt
17 Nut

 

SKU Size (inch) PN DN d L H W ISO 5211 S h1 h2 d2 d3 d1 R1 R2 Torque (N-m) Weight (kg)
490123 1/2 16/40 15 15 11 86.5 197 F03 \ F04 9 8.5 60 26 36 42 2.75 2.75 5.2 2.2
490214 3/4 16/40 20 20 120 89 197 F03 \ F04 9 8.5 62.5 26 36 42 2.75 2.75 8 2.8
490215 1 16/40 25  24 125 93 197 F04 \ F05 11 11 69 30.5 42 50 2.75 3.5 12.5 3.6
490216 1 1/4  16/40 32  30 130 106 197 F04 \ F05 11 11 82 30.5 42 50 2.75 3.5 12 5.3
490217 1 1/2  16/40 40  38 140 121 247 F05 \ F07 14 15 91 36 50 70 3.5 4.5 24.5 6.6
490218 16/40 50  50 150 129 247 F05 \ F07 14 15 99 36 50 70 3.5 4.5 32 9.4
490219 2 1/2  16 65  64 170 158 340 F07 \ F10 17 22 127 47 70 102 4.5 5.5 38 13.8
490220 2 1/2  40 65  64 170 158 340 F07 \ F10 17 22 127 47 70 102 4.5 5.5 38 13.8
490221 16 80  76 180 166 340 F07 \ F10 17 22 134.5 47 70 102 4.5 5.5 45 17.9
490222 40 80  76 180 166 340 F07 \ F10 17 22 134.5 47 70 102 4.5 5.5 45 17.9
490223 16 100  100 190 189 340 F10 \ F12 22 24 160 57 102 125 6.5 7.5 55 23.6
490224 40 100  100 190 189 340 F10 \ F12 22 24 160 57 102 125 6.5 7.5 55 23.6
490225 16 125  - - - - - - - - - - - - - - -
490226 6 16 150 - - - - - - - - - - - - - - -
490227 8 16 200 - - - - - - - - - - - - - - -

IMPORTANT: The technical data given on this website is for preliminary information purposes only and is published without guarantee. All line drawings are for illustrative purposes only and should not be regarded as wholly accurate in every detail. We reserve the right to withdraw or to alter the specification of any product without notice. For more information, please consult our Terms of Business.

If you require any further information, our excellent customer service team is here to help so please call us on 01794 835835.

 

Grouped product items
Code Product Name List Price You Save You Pay Quantity
490213 SS 2 Piece Ball Valve PN40/16 Flanged ATEX/Fire Safe 1/2" £318.83 50%
You Pay:  £159.42
490214 SS 2 Piece Ball Valve PN40/16 Flanged ATEX/Fire Safe 3/4" £382.67 50%
You Pay:  £191.33
490215 SS 2 Piece Ball Valve PN40/16 Flanged ATEX/Fire Safe 1" £494.27 50%
You Pay:  £247.13
490216 SS 2 Piece Ball Valve PN40/16 Flanged ATEX/Fire Safe 1 1/4" £726.13 50%
You Pay:  £363.07
490217 SS 2 Piece Ball Valve PN40/16 Flanged ATEX/Fire Safe 1 1/2" £891.17 50%
You Pay:  £445.58
490218 SS 2 Piece Ball Valve PN40/16 Flanged ATEX/Fire Safe 2" £1,089.17 50%
You Pay:  £544.58
490219 SS 2 Piece Ball Valve PN16 Flanged ATEX/Fire Safe 2 1/2" £1,468.77 50%
You Pay:  £734.38
490220 SS 2 Piece Ball Valve PN40 Flanged ATEX/Fire Safe 2 1/2" £1,932.47 50%
You Pay:  £966.23
490221 SS 2 Piece Ball Valve PN16 Flanged ATEX/Fire Safe 3" £1,881.27 50%
You Pay:  £940.63
490222 SS 2 Piece Ball Valve PN40 Flanged ATEX/Fire Safe 3" £2,297.37 50%
You Pay:  £1,148.68
490223 SS 2 Piece Ball Valve PN16 Flanged ATEX/Fire Safe 4" £2,551.40 50%
You Pay:  £1,275.70
490224 SS 2 Piece Ball Valve PN40 Flanged ATEX/Fire Safe 4" £3,564.03 50%
You Pay:  £1,782.02
490225 SS 2 Piece Ball Valve PN16 Flanged ATEX/Fire Safe 5" £5,518.67 50%
You Pay:  £2,759.33
490226 SS 2 Piece Ball Valve PN16 Flanged ATEX/Fire Safe 6" £9,421.77 50%
You Pay:  £4,710.88
490227 SS 2 Piece Ball Valve PN16 Flanged ATEX/Fire Safe 8" £11,698.33 50%
You Pay:  £5,849.17