BH JIC Male x JIC Male x UNF Male Forced Positional on Run

Loading...
Useful Information

Technical Specification

  • Sizes Available: 7/16" - 1 1/16"
  • Material: Steel
  • Cone Type: 37° cone on all JIC connections
  • Configuration: 90° tee, forced positional on run
  • Thread Type: JIC male x UNF male (with O-ring) run, JIC male branch
  • Standard Compliance: Manufactured to BS EN 10277
  • Temperature Range: -40°C to +120°C without pressure reduction
  • Pressure Ratings:
  • Proof Pressure: 2× working pressure
  • Burst Pressure: 4× working pressure
  • Torque Guidance: Based on lightly oiled steel threads, for guidance only
  • Quality Assurance: ISO 9001-certified production

Description

A high-performance 90° tee featuring a JIC male to UNF male run with O-ring, and a JIC male branch. The run incorporates a forced positional design, enabling precise alignment during installation while ensuring the O-ring maintains a secure seal. JIC ends are fitted with 37° cone seats for reliable metal-to-metal sealing, ensuring leak-free and vibration-resistant connections. Manufactured from premium-grade steel to BS EN 10277, this fitting is designed for durability, corrosion resistance, and dependable service in high-pressure hydraulic applications.

Key Features & Benefits

  • 37° Cone Sealing: Proven, leak-proof performance in hydraulic systems
  • Forced Positional Run: Allows accurate alignment without compromising sealing integrity
  • Steel Construction: Robust and corrosion-resistant for long service life
  • Mixed Thread Compatibility: Combines JIC and UNF connections for flexible system use
  • High-Pressure Capability: Suitable for demanding hydraulic and fluid transfer conditions
  • ISO 9001 Certified: Manufactured to strict quality standards for consistent reliability

Downloads

Burnett & Hillman Pressure Guide
 
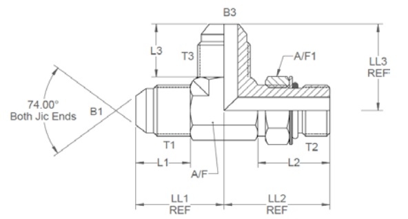
Product Code Product Code T1, T2 & T3 (") B1 & B3 (") L1 & L3 (") L2 (") LL1 & LL3 (") LL2 (") A/F (") A/F1 (")
381177 10716-04-04-04  7/16 0.172 0.535 0.807 0.89 1.03  0.438  0.562
381178 10716-05-05-05 1/2 0.234 0.535 0.881 0.95 1.13  0.562 0.625 
381179 10716-06-06-06 9/16 0.297 0.541 0.881 1.06 1.25  0.562  0.687
381180 10716-08-08-08 3/4 0.391 0.642 1.027 1.25  1.45  0.75 0.875 
381181 10716-10-10-10 7/8 0.484 0.743 1.188 1.45  1.7  0.875  1
381182 10716-12-12-12 1 1/16 0.609 0.849 1.33 1.66  1.94  1.062 1.25 

 

IMPORTANT: The technical data given on this website is for preliminary information purposes only and is published without guarantee. All line drawings are for illustrative purposes only and should not be regarded as wholly accurate in every detail. We reserve the right to withdraw or to alter the specification of any product without notice. For more information, please consult our Terms of Business.

If you require any further information, our excellent customer service team is here to help so please call us on 01794 835835.

 

Grouped product items
Code Product Name List Price You Save You Pay Quantity
381177 BH M Tee JIC x JIC x UNF Run 7/16" x 7/16" x 7/16" £14.10 50%
You Pay:  £7.05
381178 BH M Tee JIC x JIC x UNF Run 1/2" x 1/2" x 1/2" £15.17 50%
You Pay:  £7.58
381179 BH M Tee JIC x JIC x UNF Run 9/16" x 9/16" x 9/16" £15.17 50%
You Pay:  £7.58
381180 BH M Tee JIC x JIC x UNF Run 3/4" x 3/4" x 3/4" £17.53 50%
You Pay:  £8.77
381181 BH M Tee JIC x JIC x UNF Run 7/8" x 7/8" x 7/8" £22.30 50%
You Pay:  £11.15
381182 BH M Tee JIC x JIC x UNF Run 1 1/16" x 1 1/16" x 1 1/16" £41.30 50%
You Pay:  £20.65