BH JIC Male x JIC Male x UNF Male Forced Positional on Branch

Loading...
Useful Information

Technical Specification

  • Sizes Available: 7/16" - 1 1/16"
  • Material: Steel
  • Cone Type: 37° cone on all JIC connections
  • Configuration: 90° tee, forced positional on branch
  • Thread Type: JIC male x JIC male run, UNF male branch (with O-ring)
  • Standard Compliance: Manufactured to BS EN 10277
  • Temperature Range: -40°C to +120°C without pressure reduction
  • Pressure Ratings:
  • Proof Pressure: 2× working pressure
  • Burst Pressure: 4× working pressure
  • Torque Guidance: Based on lightly oiled steel threads, for guidance only
  • Quality Assurance: ISO 9001-certified production

Description

A precision-engineered 90° tee with JIC male connections on the run and a UNF male connection with O-ring on the branch. The branch features a forced positional design, allowing accurate alignment during installation without compromising the seal. The JIC ends incorporate 37° cone seats for metal-to-metal sealing, providing a leak-free and vibration-resistant joint in demanding hydraulic systems. Manufactured from high-grade steel to BS EN 10277, this tee offers durability, corrosion resistance, and reliable performance in high-pressure fluid transfer applications.

Key Features & Benefits

  • 37° Cone Sealing: Secure, leak-proof performance for hydraulic systems
  • Forced Positional Branch: Enables precise alignment without affecting seal integrity
  • Steel Construction: High strength and corrosion resistance
  • Mixed Thread Configuration: JIC and UNF compatibility for diverse system integration
  • High-Pressure Ready: Suitable for demanding hydraulic environments
  • ISO 9001 Certified: Quality manufacturing for consistent reliability

Downloads

Burnett & Hillman Pressure Guide
 
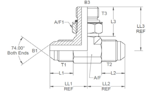
SKU Product Code T1, T2 & T3 (") B1 & B3 (") L1 & L2 (") L3 (") LL1 & LL2 (") LL3 (") A/F (") A/F1 (")
381203 10715-04-04-04 7/16 0.172 0.535 0.807 0.89 1.03 0.438 0.562
381204 10715-05-05-05 1/2 0.234 0.535 0.881 0.95 1.13 0.562 0.625
381205 10715-06-06-06 9/16 0.297 0.541 0.881 1.06 1.25 0.562 0.687
381206 10715-08-08-08 3/4 0.391 0.642 1.027 1.25 1.45 0.75 0.875
381207 10715-10-10-10 7/8 0.484 0.743 1.188 1.45 1.7 0.875 1
381208 10715-12-12-12 1 1/16 0.609 0.849 1.33 1.66 1.94 1.062 1.25

 

IMPORTANT: The technical data given on this website is for preliminary information purposes only and is published without guarantee. All line drawings are for illustrative purposes only and should not be regarded as wholly accurate in every detail. We reserve the right to withdraw or to alter the specification of any product without notice. For more information, please consult our Terms of Business.

If you require any further information, our excellent customer service team is here to help so please call us on 01794 835835.

 

Grouped product items
Code Product Name List Price You Save You Pay Quantity
381203 BH M Tee JIC x JIC x UNF Branch 7/16" x 7/16" x 7/16" £14.10 50%
You Pay:  £7.05
381204 BH M Tee JIC x JIC x UNF Branch 1/2" x 1/2" x 1/2" £15.17 50%
You Pay:  £7.58
381205 BH M Tee JIC x JIC x UNF Branch 9/16" x 9/16" x 9/16" £15.17 50%
You Pay:  £7.58
381206 BH M Tee JIC x JIC x UNF Branch 3/4" x 3/4" x 3/4" £17.53 50%
You Pay:  £8.77
381207 BH M Tee JIC x JIC x UNF Branch 7/8" x 7/8" x 7/8" £22.30 50%
You Pay:  £11.15
381208 BH M Tee JIC x JIC x UNF Branch 1 1/16" x 1 1/16" x 1 1/16" £41.30 50%
You Pay:  £20.65