BH Reducing BSPP 60° Cone Male Adaptor

Loading...
Useful Information

Technical Specification

  • Sizes Available: 1/8" x 1/4" -1 3/4" x 2"
  • Seal Type: 60° Cone
  • Material: Mild Steel
  • Thread Type: BSPP (British Standard Parallel Pipe)
  • Thread Standard: ISO 8434-6 / BS 5200
  • Temperature Range: -40°C to +120°C (no pressure reduction)
  • Pressure Ratings:
  • Proof Pressure: 2× working pressure
  • Burst Pressure: 4× working pressure
  • Torque Guidance: Values based on lightly oiled steel threads; use as a guide only

Description

Ideal for connecting two different BSPP male thread sizes, this mild steel reducing adaptor with a 60° cone is designed for secure and leak-free sealing in hydraulic and pneumatic systems. It conforms to ISO and BS standards for reliable interchangeability and dimensional accuracy. Suitable for a broad range of pressure ratings and temperature conditions, it delivers consistent performance in demanding industrial environments.

Key Features & Benefits

  • Material Strength: Manufactured from robust mild steel for long service life
  • Thread Configuration: Reducing BSPP male-to-male for joining dissimilar thread sizes
  • Seal Type: 60° cone provides secure metal-to-metal sealing
  • Standards Compliance: Meets ISO 8434-6 and BS 5200 requirements
  • Temperature Performance: Operates effectively from -40°C to +120°C with pressure tolerance
  • Application Range: Suitable for both hydraulic and pneumatic systems
  • Manufacturing Quality: Produced in compliance with ISO 9001 for assured reliability

Downloads

Burnett & Hillman Pressure Guide
 
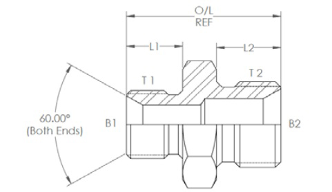
SKU Product Code T1 (") T2 (") B1 (") B2 (") L1 (") L2 (") O/L (") A/F (mm)
378945 1BP0204  1/8 1/4 0.137 0.185 0.44 0.45 1.13 19 
378946 1BP0206 1/8 3/8 0.137 0.312 0.44 0.52 1.18 22
378947 1BP0208 1/8 1/2 0.137 0.437 0.44 0.6 1.29 27
378948 1BP0406 1/4 3/8 0.185 0.312 0.45 0.52 1.19 22
378949 1BP0408 1/4 1/2 0.185 0.437 0.45 0.6 1.3 27
378950 1BP0410 1/4 5/8 0.25 0.593 0.45 0.7 1.45 30
378951 1BP0412 1/4 3/4 0.185 0.659 0.45 0.75 1.51 32
378952 1BP0416 1/4 1 0.185 0.875 0.45 0.8 1.6 41
378953 1BP0420 1/4 1 1/4 0.25 1.203 0.7 0.8 1.925 50
378954 1BP0432 1/4 2 0.185 1.812 0.7 1 2.25 70
378955 1BP0608 3/8 1/2 0.312 0.437 0.52 0.6 1.37 27
378956 1BP0610 3/8 5/8 0.312 0.562 0.52 0.7 1.5 30
378957 1BP0612 3/8 3/4  0.312 0.659 0.52 0.75 1.58 32
378958 1BP0616 3/8 1 0.312 0.875 0.52 0.8 1.67 41
378959 1BP0624 3/8 1 1/2 0.342 1.437 0.812 0.85 2.162 55
378960 1BP0810 1/2 5/8 0.437 0.562 0.6 0.7 1.58 30
378961 1BP0812 1/2 3/4 0.437 0.659 0.6 0.75 1.66 32
378962 1BP0816 1/2 1 0.437 0.875 0.6 0.8 1.75 41
378963 1BP0820 1/2 1 1/4 0.437 1.125 0.6 0.8 1.8 50
378964 1BP0824 1/2 1 1/2 0.437 1.312 0.6 0.85 1.9 55
378965 1BP0832 1/2 2 0.437 1.812 0.6 1 2.1 70 
378966 1BP1012 5/8 3/4 0.562 0.659 0.7 0.75 1.76 32
378967 1BP1016 5/8 1 0.593 0.875 0.7 0.8 1.85 41
378968 1BP1020 5/8 1 1/4 0.562 1.125 0.7 0.8 1.85 50
378969 1BP1216 3/4 1 0.659 0.875 0.75 0.8 1.9 41
378970 1BP1220 3/4 1 1/4 0.659 1.125 0.75 0.8 1.95 50
378971 1BP1224 3/4 1 1/2 0.659 1.312 0.75 0.85 2.05 55
378972 1BP1232 3/4 2 0.659 1.812 0.75 1 2.28 70
378973 1BP1620 1 1 1/4 0.875 1.125 0.8 0.8 2  50
378974 1BP1624 1 1 1/2 0.875 1.312 0.8 0.85 2.1 55
378975 1BP1632 1 2 0.875 1.812 0.8 1 2.3 70
378976 1BP1640 1 2 1/2 0.875 2.37 0.8 1 2.42 3.25"
378977 1BP2024 1 1/4 1 1/2 1.125 1.312 0.8 0.85 2.1 55
378978 1BP2032 1 1/4 2 1.125 1.812 0.8 1 2.3 70
378979 1BP2428 1 1/2 1 3/4  1.312 1.547 0.85 1 2.35 65
378980 1BP2432 1 1/2 2 1.312 1.812 0.85 1 2.35 70
378981 1BP2440 1 1/2 2 1/2 1.312 2.37 0.85 1 2.47 3.25"
378982 1BP2832 1 3/4 2 1.547 1.812 1 1 2.5 70

 

IMPORTANT: The technical data given on this website is for preliminary information purposes only and is published without guarantee. All line drawings are for illustrative purposes only and should not be regarded as wholly accurate in every detail. We reserve the right to withdraw or to alter the specification of any product without notice. For more information, please consult our Terms of Business.

If you require any further information, our excellent customer service team is here to help so please call us on 01794 835835.

 

Grouped product items
Code Product Name List Price You Save You Pay Quantity
378945 BH Male Reducing Adaptor BSPP 60 Cone 1/8" x 1/4" £2.10 50%
You Pay:  £1.05
378946 BH Male Reducing Adaptor BSPP 60 Cone 1/8" x 3/8" £2.53 50%
You Pay:  £1.27
378947 BH Male Reducing Adaptor BSPP 60 Cone 1/8" x 1/2" £3.40 50%
You Pay:  £1.70
378948 BH Male Reducing Adaptor BSPP 60 Cone 1/4" x 3/8" £2.23 50%
You Pay:  £1.12
378949 BH Male Reducing Adaptor BSPP 60 Cone 1/4" x 1/2" £2.70 50%
You Pay:  £1.35
378950 BH Male Reducing Adaptor BSPP 60 Cone 1/4" x 5/8" £5.17 50%
You Pay:  £2.58
378951 BH Male Reducing Adaptor BSPP 60 Cone 1/4" x 3/4" £6.40 50%
You Pay:  £3.20
378952 BH Male Reducing Adaptor BSPP 60 Cone 1/4" x 1" £10.03 50%
You Pay:  £5.02
378953 BH Male Reducing Adaptor BSPP 60 Cone 1/4" x 1 1/4" £34.07 50%
You Pay:  £17.03
378954 BH Male Reducing Adaptor BSPP 60 Cone 1/4" x 2" £56.43 50%
You Pay:  £28.22
378955 BH Male Reducing Adaptor BSPP 60 Cone 3/8" x 1/2" £2.70 50%
You Pay:  £1.35
378956 BH Male Reducing Adaptor BSPP 60 Cone 3/8" x 5/8" £3.77 50%
You Pay:  £1.88
378957 BH Male Reducing Adaptor BSPP 60 Cone 3/8" x 3/4" £5.00 50%
You Pay:  £2.50
378958 BH Male Reducing Adaptor BSPP 60 Cone 3/8" x 1" £10.03 50%
You Pay:  £5.02
378959 BH Male Reducing Adaptor BSPP 60 Cone 3/8" x 1 1/2" £32.23 50%
You Pay:  £16.12
378960 BH Male Reducing Adaptor BSPP 60 Cone 1/2" x 5/8" £3.60 50%
You Pay:  £1.80
378961 BH Male Reducing Adaptor BSPP 60 Cone 1/2" x 3/4" £4.63 50%
You Pay:  £2.32
378962 BH Male Reducing Adaptor BSPP 60 Cone 1/2" x 1" £8.07 50%
You Pay:  £4.03
378963 BH Male Reducing Adaptor BSPP 60 Cone 1/2" x 1 1/4" £28.03 50%
You Pay:  £14.02
378964 BH Male Reducing Adaptor BSPP 60 Cone 1/2" x 1 1/2" £34.20 50%
You Pay:  £17.10
378965 BH Male Reducing Adaptor BSPP 60 Cone 1/2" x 2" £43.03 50%
You Pay:  £21.52
378966 BH Male Reducing Adaptor BSPP 60 Cone 5/8" x 3/4" £4.63 50%
You Pay:  £2.32
378967 BH Male Reducing Adaptor BSPP 60 Cone 5/8" x 1" £8.17 50%
You Pay:  £4.08
378968 BH Male Reducing Adaptor BSPP 60 Cone 5/8" x 1 1/4" £28.03 50%
You Pay:  £14.02
378969 BH Male Reducing Adaptor BSPP 60 Cone 3/4" x 1" £8.07 50%
You Pay:  £4.03
378970 BH Male Reducing Adaptor BSPP 60 Cone 3/4" x 1 1/4" £26.80 50%
You Pay:  £13.40
378971 BH Male Reducing Adaptor BSPP 60 Cone 3/4" x 1 1/2" £30.93 50%
You Pay:  £15.47
378972 BH Male Reducing Adaptor BSPP 60 Cone 3/4" x 2" £41.40 50%
You Pay:  £20.70
378973 BH Male Reducing Adaptor BSPP 60 Cone 1" x 1 1/4" £18.10 50%
You Pay:  £9.05
378974 BH Male Reducing Adaptor BSPP 60 Cone 1" x 1 1/2" £23.00 50%
You Pay:  £11.50
378975 BH Male Reducing Adaptor BSPP 60 Cone 1" x 2" £36.20 50%
You Pay:  £18.10
378976 BH Male Reducing Adaptor BSPP 60 Cone 1" x 2 1/2" £88.17 50%
You Pay:  £44.08
378977 BH Male Reducing Adaptor BSPP 60 Cone 1 1/4" x 1 1/2" £21.50 50%
You Pay:  £10.75
378978 BH Male Reducing Adaptor BSPP 60 Cone 1 1/4" x 2" £36.20 50%
You Pay:  £18.10
378979 BH Male Reducing Adaptor BSPP 60 Cone 1 1/2" x 1 3/4" £26.10 50%
You Pay:  £13.05
378980 BH Male Reducing Adaptor BSPP 60 Cone 1 1/2" x 2" £32.77 50%
You Pay:  £16.38
378981 BH Male Reducing Adaptor BSPP 60 Cone 1 1/2" x 2 1/2" £88.17 50%
You Pay:  £44.08
378982 BH Male Reducing Adaptor BSPP 60 Cone 1 3/4" x 2" £36.20 50%
You Pay:  £18.10