BH BSPP 60° Cone x SAE O-Ring Face Seal Male Adaptor

Loading...
Useful Information

Technical Specification

  • Material: Mild Steel (BS EN 10277 compliant)
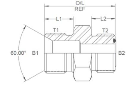
  • Thread Type: BSPP (British Standard Parallel Pipe) 60° Cone x SAE Male O-Ring Face Seal
  • Thread Ends: BSPP Male 60° Cone x SAE Male
  • Seal Type: 60° Cone on BSPP end, O-Ring Face Seal on SAE end
  • Standard Compliance: Manufactured to BS EN 10277
  • Temperature Range: -40°C to +120°C (no pressure reduction)
  • Pressure Ratings:
  • Proof Pressure: 2× working pressure
  • Burst Pressure: 4× working pressure
  • Torque Guidance: Recommended torque based on lightly oiled steel threads

Description

This adaptor features a BSPP male 60° cone connection on one end and an SAE male O-ring face seal on the other, allowing seamless connection between BSPP and SAE hydraulic components. Manufactured by Burnett & Hillman in high-quality mild steel to BS EN 10277 standards, it ensures a strong, leak-free seal and reliable performance under demanding hydraulic system conditions.

Key Features & Benefits

  • Material Strength: Mild steel construction provides long-lasting durability
  • Thread Configuration: BSPP male 60° cone to SAE male O-ring for mixed connection adaptability
  • Seal Type: Combines 60° cone and O-ring face seal for robust, leak-free performance
  • Standard Compliance: Produced to BS EN 10277 for precision fit and compatibility
  • Versatile Use: Ideal for hydraulic systems requiring BSPP to SAE transitions
  • Temperature Performance: Operational from -40°C to +120°C
  • Quality Manufacturing: ISO 9001-certified production ensures consistent reliability

Downloads

Burnett & Hillman Pressure Guide
 
SKU Product Code T1 (") T2 (")  B1 (") B2 (")   L1 (") L2 (")   O/L (") A/F (mm) 
379107 74005 1/8 9/16 0.137 0.172 0.44 0.386 1.14 0.625"
379108 74000 1/4 9/16 0.625 - 0.45 0.386 1.15 19
379109 74006 1/4 11/16 0.185 0.25 0.45 0.441 1.23 19
379110 74001 3/8 11/16 0.312 0.25 0.52 0.441 1.301 22
379111 74007 3/8 13/16 0.312 0.378 0.52 0.504 1.41 0.875"
379112 74015 1/2 11/16 0.437 0.264 0.6 0.441 1.38 27
379113 74002 1/2 13/16 0.437 0.378 0.6 0.504 1.49 27
379114 74008 1/2 1 0.437 0.484 0.6 0.61 1.67 27
379115 74011 1/2 1 3/16  0.437 0.609 0.6 0.67 1.79 1.25"
379116 74014 5/8 1 3/16 - - - - - -
379117 74009 3/4 1 0.659 0.484 0.75 0.61 1.82 32
379118 74003 3/4 1 3/16 0.609 0.609 0.63 0.67 1.82 32
379119 74004 1 1 7/16 0.875 0.811 0.8 0.689 2.05 41
379120 74012 1 1 11/16 0.875 1.024 0.8 0.689 1.83 46
379121 74010 1 1/4 1 11/16 1.125 1.024 0.8 0.689 2.13 50

 

IMPORTANT: The technical data given on this website is for preliminary information purposes only and is published without guarantee. All line drawings are for illustrative purposes only and should not be regarded as wholly accurate in every detail. We reserve the right to withdraw or to alter the specification of any product without notice. For more information, please consult our Terms of Business.

If you require any further information, our excellent customer service team is here to help so please call us on 01794 835835.

 

Grouped product items
Code Product Name List Price You Save You Pay Quantity
379107 BH Male Adaptor BSPP 60 Cone x SAE O-Ring 1/8" x 9/16" £3.23 50%
You Pay:  £1.62
379108 BH Male Adaptor BSPP 60 Cone x SAE O-Ring 1/4" x 9/16" £3.23 50%
You Pay:  £1.62
379109 BH Male Adaptor BSPP 60 Cone x SAE O-Ring 1/4" x 11/16" £3.60 50%
You Pay:  £1.80
379110 BH Male Adaptor BSPP 60 Cone x SAE O-Ring 3/8" x 11/16" £3.60 50%
You Pay:  £1.80
379111 BH Male Adaptor BSPP 60 Cone x SAE O-Ring 3/8" x 13/16" £4.20 50%
You Pay:  £2.10
379112 BH Male Adaptor BSPP 60 Cone x SAE O-Ring 1/2" x 11/16" £8.30 50%
You Pay:  £4.15
379113 BH Male Adaptor BSPP 60 Cone x SAE O-Ring 1/2" x 13/16" £4.20 50%
You Pay:  £2.10
379114 BH Male Adaptor BSPP 60 Cone x SAE O-Ring 1/2" x 1" £5.73 50%
You Pay:  £2.87
379115 BH Male Adaptor BSPP 60 Cone x SAE O-Ring 1/2" x 1 3/16" £10.03 50%
You Pay:  £5.02
379116 BH Male Adaptor BSPP 60 Cone x SAE O-Ring 5/8" x 1 3/16" £14.70 50%
You Pay:  £7.35
379117 BH Male Adaptor BSPP 60 Cone x SAE O-Ring 3/4" x 1" £10.03 50%
You Pay:  £5.02
379118 BH Male Adaptor BSPP 60 Cone x SAE O-Ring 3/4" x 1 3/16" £5.60 50%
You Pay:  £2.80
379119 BH Male Adaptor BSPP 60 Cone x SAE O-Ring 1" x 1 7/16" £19.33 50%
You Pay:  £9.67
379120 BH Male Adaptor BSPP 60 Cone x SAE O-Ring 1" x 1 11/16" £26.17 50%
You Pay:  £13.08
379121 BH Male Adaptor BSPP 60 Cone x SAE O-Ring 1 1/4" x 1 11/16" £29.67 50%
You Pay:  £14.83