BH BSPP 60° Cone x BSPT Male Adaptor

Loading...
Useful Information

Technical Specification

  • Sizes Available: 1/8" - 2 1/2"
  • Seal Type: 60° Cone on BSPP end
  • Material: Mild Steel (BS EN 10277 compliant)
  • Standard Compliance: Manufactured to BS EN 10277
  • Temperature Range: -40°C to +120°C (no pressure reduction)
  • Pressure Ratings:
  • Proof Pressure: 2× working pressure
  • Burst Pressure: 4× working pressure
  • Torque Guidance: Recommended torque based on lightly oiled steel threads

Description

This Burnett & Hillman adaptor features a BSPP male 60° cone on one end and a BSPT male thread on the other, allowing secure connections between parallel and tapered thread fittings. Manufactured from mild steel to BS EN 10277 standards, it provides reliable, leak-free sealing in hydraulic and pneumatic systems. Designed for versatility and high-pressure performance, it ensures compatibility and long-term durability.

Key Features & Benefits

  • Material Strength: Made from robust mild steel for extended service life
  • Thread Configuration: BSPP male 60° cone x BSPT male for mixed thread connections
  • Seal Type: 60° cone ensures strong metal-to-metal sealing on BSPP end
  • Standard Compliance: Manufactured to BS EN 10277 for precision fit
  • Hydraulic Use: Ideal for connecting parallel and tapered threads in fluid systems
  • Temperature Performance: Operates effectively between -40°C and +120°C
  • Quality Manufacturing: ISO 9001-certified production ensures consistent reliability

Downloads

Burnett & Hillman Pressure Guide
 
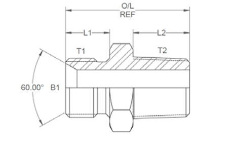
SKU Product Code T1 & T2 (") B1 & B2 (") L1 (") L2 (") O/L (") A/F
379052 1BP02T02 1/8  0.137 0.44 0.4 1.04 14mm
379056 1BP04T04 1/4 0.185 0.45 0.58 1.28 19mm
379062 1BP06T06 3/8 0.312 0.52 0.59 1.43 22mm
379069 1BP08T08 1/2 0.437 0.6 0.77 1.67 27mm
379076 1BP10T10 5/8 0.593  0.7 0.77 1.82 30mm
379081 1BP12T12 3/4 0.659 0.75 0.77 1.94 32mm
379088 1BP16T16 1 0.875 0.8 1  2.23 41mm
379093 1BP20T20 1 1/4  1.125 0.8 1 2.3 50mm
379098 1BP24T24 1 1/2 1.312 0.85 1.17 2.52 55mm
379103 1BP32T32 2 1.812 1 1.18 2.73 70mm
379106 1BP40T40 2 1/2 2.37 1 1.562 3.187 3.25"

 

IMPORTANT: The technical data given on this website is for preliminary information purposes only and is published without guarantee. All line drawings are for illustrative purposes only and should not be regarded as wholly accurate in every detail. We reserve the right to withdraw or to alter the specification of any product without notice. For more information, please consult our Terms of Business.

If you require any further information, our excellent customer service team is here to help so please call us on 01794 835835.

 

Grouped product items
Code Product Name List Price You Save You Pay Quantity
379052 BH Male Adaptor BSPP 60 Cone x BSPT 1/8" x 1/8" £2.10 50%
You Pay:  £1.05
379056 BH Male Adaptor BSPP 60 Cone x BSPT 1/4" x 1/4" £2.10 50%
You Pay:  £1.05
379062 BH Male Adaptor BSPP 60 Cone x BSPT 3/8" x 3/8" £2.70 50%
You Pay:  £1.35
379069 BH Male Adaptor BSPP 60 Cone x BSPT 1/2" x 1/2" £3.00 50%
You Pay:  £1.50
379076 BH Male Adaptor BSPP 60 Cone x BSPT 5/8" x 5/8" £4.07 50%
You Pay:  £2.03
379081 BH Male Adaptor BSPP 60 Cone x BSPT 3/4" x 3/4" £4.67 50%
You Pay:  £2.33
379088 BH Male Adaptor BSPP 60 Cone x BSPT 1" x 1" £8.73 50%
You Pay:  £4.37
379093 BH Male Adaptor BSPP 60 Cone x BSPT 1 1/4" x 1 1/4" £18.53 50%
You Pay:  £9.27
379098 BH Male Adaptor BSPP 60 Cone x BSPT 1 1/2" x 1 1/2" £22.97 50%
You Pay:  £11.48
379103 BH Male Adaptor BSPP 60 Cone x BSPT 2" x 2" £38.40 50%
You Pay:  £19.20
379106 BH Male Adaptor BSPP 60 Cone x BSPT 2 1/2" x 2 1/2" £205.30 50%
You Pay:  £102.65