BH BSPP Male 60° Cone x BSPT Female Fixed Bush

Loading...
Useful Information

Technical Specification

  • Sizes Available: 1/2" x 1/4"
  • Material: Mild Steel
  • Seal Type: 60° cone on BSPP male for metal-to-metal sealing
  • Thread Type: BSPP (British Standard Parallel Pipe) male x BSPT (British Standard Taper Pipe) female
  • Standard Compliance: Manufactured to BS EN 10277
  • Temperature Range: -40°C to +120°C (no pressure reduction)
  • Pressure Ratings:
  • Proof Pressure: 2× working pressure
  • Burst Pressure: 4× working pressure
  • Torque Guidance: Recommended torque values for lightly oiled steel threads
  • Quality Assurance: Produced under ISO 9001-certified processes

Description

This adaptor features a BSPP male connection with a 60° cone sealing face and a fixed BSPT female bush. Designed for joining components with parallel BSPP and tapered BSPT threads, it provides a secure, leak-proof hydraulic connection. Manufactured by Burnett & Hillman from high-quality mild steel to BS EN 10277 standards, it is ideal for high-pressure hydraulic and pneumatic systems requiring mixed-thread adaptors.

Key Features & Benefits

  • Durable Construction: Strong mild steel for reliable, long-lasting performance
  • Mixed Thread Compatibility: BSPP male x BSPT female for versatile system connections
  • Reliable Sealing: 60° cone provides secure, pressure-tight metal-to-metal seal
  • Fixed Female Bush: Simplifies installation and ensures robust joint integrity
  • Standard Compliance: Manufactured to BS EN 10277 for precise threading and fit
  • Versatile Application: Suitable for hydraulic and pneumatic systems with mixed BSP fittings
  • Quality Manufacturing: ISO 9001-certified production ensures consistent product quality

Downloads

Burnett & Hillman Pressure Guide
 
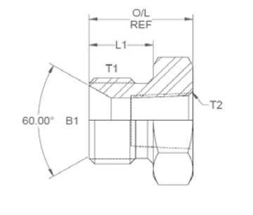
SKU Product Code Male Thread T1 (") Female Thread T2 (") B1 (") L1 (") O/L (") A/F (mm)
379566 16601 1/2 1/4 0.437 0.6 0.97 27

 

IMPORTANT: The technical data given on this website is for preliminary information purposes only and is published without guarantee. All line drawings are for illustrative purposes only and should not be regarded as wholly accurate in every detail. We reserve the right to withdraw or to alter the specification of any product without notice. For more information, please consult our Terms of Business.

If you require any further information, our excellent customer service team is here to help so please call us on 01794 835835.

 

Grouped product items
Code Product Name List Price You Save You Pay Quantity
379566 BH Bush BSPP Male 60 Cone x BSPT Fixed Female 1/2" x 1/4" £7.20 50%
You Pay:  £3.60