BH BSPP Male 60° Cone x BSPP Female Fixed Bush

Loading...
Useful Information

Technical Specification

  • Sizes Available: 3/8" x 1/8" - 3" x 2"
  • Material: Mild Steel
  • Thread Type: BSPP (British Standard Parallel Pipe)
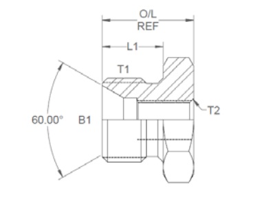
  • Male Connection: BSPP male with 60° cone sealing
  • Standard Compliance: Manufactured to BS EN 10277
  • Temperature Range: -40°C to +120°C (no pressure reduction)
  • Pressure Ratings:
  • Proof Pressure: 2× working pressure
  • Burst Pressure: 4× working pressure
  • Torque Guidance: Recommended torque values for lightly oiled steel threads
  • Quality Assurance: ISO 9001-certified manufacturing

Description

This BSPP adaptor features a male connection with a 60° cone seal and a fixed extended female bush. Designed for secure and reliable hydraulic connections, it is manufactured by Burnett & Hillman from high-quality mild steel to BS EN 10277 standards. The 60° cone provides a strong, leak-proof seal, while the fixed extended bush allows straightforward installation into hydraulic assemblies.

Key Features & Benefits

  • Durable Construction: Manufactured from robust mild steel for long-lasting use
  • Thread Type: BSPP male x BSPP fixed female bush for versatile connections
  • Reliable Sealing: 60° cone ensures metal-to-metal, leak-free joint
  • Extended Female Bush: Provides additional reach and easy installation
  • Standard Compliance: Produced to BS EN 10277 for precise threading and fit
  • Versatile Application: Suitable for hydraulic and pneumatic systems
  • Quality Manufacturing: ISO 9001-certified production ensures consistent reliability

Downloads

Burnett & Hillman Pressure Guide
 
SKU Product Code Male Thread T1 (") Female Thread T2 (") B1 (") L1 (") O/L (") A/F (mm)
379484  4B0602 3/8 1/8 0.396 0.52 0.83 22
379485   4B0802  1/2 1/8 0.437 0.6 0.9 27
379486   4B0804  1/2 1/4 0.531 0.6 0.97 27
379487  4B1204 3/4 1/4 0.659 0.75 1.11 32
379488  4B1206 3/4 3/8 0.659 0.75 1.11 32
379489  4B1604 1 1/4  0.875 0.8 1.28 41
379490  4B1606 1 3/8 0.875 0.8 1.28 41
379491  4B1608 1 1/2 0.875 0.8 1.28 41
379492  4B2008 1 1/4 1/2 1.125 0.8 1.3 50
379493  4B2012 1 1/4 3/4 1.125 0.8 1.3 50
379494   4B2016  1 1/4 1 1.211 0.8 1.3 50
379495  4B2408  1 1/2 1/2 1.437 0.85 1.4 55
379496 4B2412 1 1/2 3/4 1.312 0.85 1.4 55
379497  4B2416  1 1/2 1 1.417 0.85 1.4 55
379498 4B3216 2 1 1.781 1.065 1.765  70
379499 4B3220 2 1 1/4  1.781  1.065 1.765  70
379500  4B3224  2 1 1/2  1.781  1  1.765 70
379501 4B4024 2 1/2 1 1/2 2.375   1 1.625   3.25"
379502 4B4032 2 1/2 2 2.375   1 1.625   3.25"
379503 4B4832 3 2  2.75  1  1.7 95 

 

IMPORTANT: The technical data given on this website is for preliminary information purposes only and is published without guarantee. All line drawings are for illustrative purposes only and should not be regarded as wholly accurate in every detail. We reserve the right to withdraw or to alter the specification of any product without notice. For more information, please consult our Terms of Business.

If you require any further information, our excellent customer service team is here to help so please call us on 01794 835835.

 

Grouped product items
Code Product Name List Price You Save You Pay Quantity
379484 BH Bush BSPP Male 60 Cone x BSPP Female 3/8" x 1/8" £4.90 50%
You Pay:  £2.45
379485 BH Bush BSPP Male 60 Cone x BSPP Female 1/2" x 1/8" £4.90 50%
You Pay:  £2.45
379486 BH Bush BSPP Male 60 Cone x BSPP Female 1/2" x 1/4" £3.83 50%
You Pay:  £1.92
379487 BH Bush BSPP Male 60 Cone x BSPP Female 3/4" x 1/4" £5.37 50%
You Pay:  £2.68
379488 BH Bush BSPP Male 60 Cone x BSPP Female 3/4" x 3/8" £5.37 50%
You Pay:  £2.68
379489 BH Bush BSPP Male 60 Cone x BSPP Female 1" x 1/4" £9.23 50%
You Pay:  £4.62
379490 BH Bush BSPP Male 60 Cone x BSPP Female 1" x 3/8" £8.73 50%
You Pay:  £4.37
379491 BH Bush BSPP Male 60 Cone x BSPP Female 1" x 1/2" £8.73 50%
You Pay:  £4.37
379492 BH Bush BSPP Male 60 Cone x BSPP Female 1 1/4" x 1/2" £20.40 50%
You Pay:  £10.20
379493 BH Bush BSPP Male 60 Cone x BSPP Female 1 1/4" x 3/4" £20.40 50%
You Pay:  £10.20
379494 BH Bush BSPP Male 60 Cone x BSPP Female 1 1/4" x 1" £20.40 50%
You Pay:  £10.20
379495 BH Bush BSPP Male 60 Cone x BSPP Female 1 1/2" x 1/2" £35.57 50%
You Pay:  £17.78
379496 BH Bush BSPP Male 60 Cone x BSPP Female 1 1/2" x 3/4" £35.57 50%
You Pay:  £17.78
379497 BH Bush BSPP Male 60 Cone x BSPP Female 1 1/2" x 1" £35.57 50%
You Pay:  £17.78
379498 BH Bush BSPP Male 60 Cone x BSPP Female 2" x 1" £44.83 50%
You Pay:  £22.42
379499 BH Bush BSPP Male 60 Cone x BSPP Female 2" x 1 1/4" £44.83 50%
You Pay:  £22.42
379500 BH Bush BSPP Male 60 Cone x BSPP Female 2" x 1 1/2" £44.83 50%
You Pay:  £22.42
379501 BH Bush BSPP Male 60 Cone x BSPP Female 2 1/2" x 1 1/2" £114.53 50%
You Pay:  £57.27
379502 BH Bush BSPP Male 60 Cone x BSPP Female 2 1/2" x 2" £114.53 50%
You Pay:  £57.27
379503 BH Bush BSPP Male 60 Cone x BSPP Female 3" x 2" £166.80 50%
You Pay:  £83.40