BH ORFS x UNF Positional Forged w/ O-Ring Male 90° Elbow

Loading...
Useful Information

Technical Specification

  • Sizes Available: 9/16" x 7/16" - 1 7/16" x 1 5/16"
  • Material: Mild Steel
  • Configuration: 90° positional forged elbow
  • ORFS male: O-ring face seal for secure, leak-free connection
  • UNF male: Straight thread with bonded O-ring seal
  • Standard Compliance: Manufactured to BS EN 10277
  • Temperature Range: -40°C to +120°C without pressure reduction
  • Pressure Ratings:
  • Proof Pressure: 2× working pressure
  • Burst Pressure: 4× working pressure
  • Torque Guidance: Designed for lightly oiled steel threads
  • Quality Assurance: ISO 9001-certified manufacturing

Description

This 90° positional forged elbow connects an ORFS male thread with an O-ring face seal to a UNF male thread fitted with a bonded O-ring. The positional forged design allows for precise orientation of the UNF end during installation, ensuring optimal hose routing and system layout. Combining two proven sealing methods, this adaptor delivers exceptional leak resistance and durability, making it ideal for high-pressure hydraulic applications. Manufactured from high-quality mild steel to BS EN 10277 standards, it offers strength, accuracy, and long-term performance.

Key Features & Benefits

  • Mixed Thread Capability: ORFS male to UNF male with bonded O-ring
  • Positional Forged Design: Enables precise alignment during assembly
  • Dual O-Ring Sealing: Maximum reliability and leak prevention
  • Compact 90° Elbow: Allows efficient routing in tight hydraulic layouts
  • Forged for Strength: High durability for demanding conditions
  • Precision Engineering: Machined to BS EN 10277 standards for accuracy
  • ISO Certified: Manufactured under ISO 9001 quality management systems

Downloads

Burnett & Hillman Pressure Guide
 
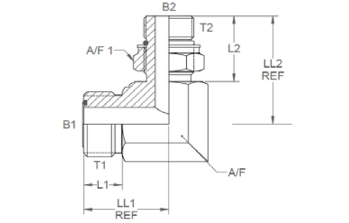
SKU Product Code T1 (") T2 (") B1 (") B2 (") L1 (") L2 (") LL1 (") LL2 (") A/F (") A/F1 (")
381374 9515-04-04  9/16 7/16 0.172  0.172 0.35 0.81 0.85 1.29 0.562 0.625
381375 9515-04-06 9/16 9/16 0.172 0.295 0.35 0.88 0.85 1.45 0.750 0.75
381376 9515-06-06 11/16 9/16 0.264 0.295 0.41 0.88 0.98 1.45 0.750 0.75
381377 9515-08-08 13/16 3/4 0.378 0.39 0.47 1.03 1.1 1.6 0.750 0.938
381378 9515-10-10 1 7/8 0.484 0.484 0.55  1.19 1.31 1.97 1.062 1.062
381379 9515-10-12 1 1 1/16 0.484 0.609 0.55  1.33 1.47 2.17 1.188 1.375
381380 9515-12-08 1 3/16 3/4 0.609 0.39 0.59 1.03 1.47 1.87 1.188 0.938
381381 9515-12-12 1 3/16 1 1/16 0.609 0.609 0.59 1.33 1.47 2.17 1.188 1.375
381382 9515-16-16 1 7/16 1 5/16 0.811 0.843 0.61 1.36 1.64 2.35 1.438 1.625

 

IMPORTANT: The technical data given on this website is for preliminary information purposes only and is published without guarantee. All line drawings are for illustrative purposes only and should not be regarded as wholly accurate in every detail. We reserve the right to withdraw or to alter the specification of any product without notice. For more information, please consult our Terms of Business.

If you require any further information, our excellent customer service team is here to help so please call us on 01794 835835.

 

Grouped product items
Code Product Name List Price You Save You Pay Quantity
381374 BH Male Forged 90 Elbow ORFS x UNF 9/16" x 7/16" £11.07 50%
You Pay:  £5.53
381375 BH Male Forged 90 Elbow ORFS x UNF 9/16" x 9/16" £12.70 50%
You Pay:  £6.35
381376 BH Male Forged 90 Elbow ORFS x UNF 11/16" x 9/16" £12.50 50%
You Pay:  £6.25
381377 BH Male Forged 90 Elbow ORFS x UNF 13/16" x 3/4" £14.10 50%
You Pay:  £7.05
381378 BH Male Forged 90 Elbow ORFS x UNF 1" x 7/8" £19.80 50%
You Pay:  £9.90
381379 BH Male Forged 90 Elbow ORFS x UNF 1" x 1 1/16" £25.33 50%
You Pay:  £12.67
381380 BH Male Forged 90 Elbow ORFS x UNF 1 3/16" x 3/4" £26.93 50%
You Pay:  £13.47
381381 BH Male Forged 90 Elbow ORFS x UNF 1 3/16" x 1 1/16" £28.27 50%
You Pay:  £14.13
381382 BH Male Forged 90 Elbow ORFS x UNF 1 7/16" x 1 5/16" £38.37 50%
You Pay:  £19.18