BH ORFS x BSPP Positional Forged w/ O-Ring Male 90° Elbow

Loading...
Useful Information

Technical Specification

  • Sizes Available: 9/16" x 1/4" - 1 7/16" x 1"
  • Material: Mild Steel
  • Configuration: 90° positional forged elbow
  • ORFS male: O-ring face seal for secure, leak-free connection
  • BSPP male: Parallel thread with bonded O-ring seal
  • Standard Compliance: Manufactured to BS EN 10277
  • Temperature Range: -40°C to +120°C without pressure reduction
  • Pressure Ratings:
  • Proof Pressure: 2× working pressure
  • Burst Pressure: 4× working pressure
  • Torque Guidance: Suitable for lightly oiled steel threads
  • Quality Assurance: ISO 9001-certified manufacturing

Description

This 90° positional forged elbow connects an ORFS male thread with an O-ring face seal to a BSPP male thread fitted with a bonded O-ring. The positional forged design allows precise alignment of the BSPP end for accurate hose or pipe routing during installation. Combining two reliable sealing methods, this adaptor delivers exceptional leak resistance, strength, and versatility for high-pressure hydraulic applications. Manufactured from mild steel to BS EN 10277, it is precision-engineered for long service life and dependable performance.

Key Features & Benefits

  • Mixed Connection: ORFS male to BSPP male with bonded O-ring
  • Positional Forged Design: Enables precise alignment during installation
  • Leak-Free Sealing: Dual O-ring sealing methods for maximum reliability
  • Right-Angle Layout: Ideal for compact hydraulic system routing
  • Forged Strength: Increased durability for high-pressure applications
  • Precision Machined: Manufactured to BS EN 10277 for thread accuracy
  • ISO Certified: Produced under ISO 9001 quality control processes

Downloads

Burnett & Hillman Pressure Guide
 
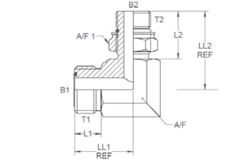
SKU Product Code T1 (") T2 (") B1 (") B2 (") L1 (") L2 (") LL1 (") LL2 (") A/F (") A/F1 (mm)
381383 9515-04-04B 9/16 1/4  0.172 0.296 0.35 0.787 0.85 1.378 0.750 19
381384 9515-08-06B 13/16 3/8 0.378 0.389 0.47 0.787 1.1 1.417 0.750 22
381385 9515-10-08B 1 1/2 0.484 0.484 0.55 1.027 1.31 1.692 1.062 27
381386 9515-12-12B 1 3/16 3/4 0.609 0.609 0.59 1.027 1.47 1.85 1.188 32
381387 9515-16-16B 1 7/16 1 0.811 0.846 0.61 1.181 1.64 2.125 1.5 41

 

IMPORTANT: The technical data given on this website is for preliminary information purposes only and is published without guarantee. All line drawings are for illustrative purposes only and should not be regarded as wholly accurate in every detail. We reserve the right to withdraw or to alter the specification of any product without notice. For more information, please consult our Terms of Business.

If you require any further information, our excellent customer service team is here to help so please call us on 01794 835835.

 

Grouped product items
Code Product Name List Price You Save You Pay Quantity
381383 BH Male Forged 90 Elbow ORFS x BSPP 9/16" x 1/4" £13.90 50%
You Pay:  £6.95
381384 BH Male Forged 90 Elbow ORFS x BSPP 13/16" x 3/8" £18.07 50%
You Pay:  £9.03
381385 BH Male Forged 90 Elbow ORFS x BSPP 1" x 1/2" £21.13 50%
You Pay:  £10.57
381386 BH Male Forged 90 Elbow ORFS x BSPP 1 3/16" x 3/4" £27.17 50%
You Pay:  £13.58
381387 BH Male Forged 90 Elbow ORFS x BSPP 1 7/16" x 1" £39.47 50%
You Pay:  £19.73