BH ORFS Male Forged Bulkhead 90° Elbow

Loading...
Useful Information

Technical Specification

  • Sizes Available: 9/16" - 1 7/16"
  • Material: Mild Steel
  • Configuration: Forged 90° elbow bulkhead fitting
  • Seal Type: O-ring face seal for leak-free hydraulic connections
  • Thread Type: ORFS (O-Ring Face Seal) male x ORFS male bulkhead
  • Standard Compliance: Manufactured to BS EN 10277
  • Temperature Range: -40°C to +120°C without pressure reduction
  • Pressure Ratings:
  • Proof Pressure: 2× working pressure
  • Burst Pressure: 4× working pressure
  • Torque Guidance: For lightly oiled steel threads only
  • Quality Assurance: ISO 9001-certified manufacturing

Description

This forged 90° ORFS male-to-male bulkhead elbow provides a robust and reliable connection for hydraulic systems requiring O-ring face seal technology. The bulkhead design enables secure installation through panels or equipment walls, while the forged construction enhances strength and pressure resistance. Manufactured from high-quality mild steel to BS EN 10277 standards, this fitting ensures precision alignment, excellent sealing performance, and long-lasting durability in demanding fluid power applications.

Key Features & Benefits

  • Bulkhead Design: Ideal for secure mounting through panels or machinery walls
  • Leak-Free Performance: ORFS seal provides exceptional hydraulic sealing capability
  • Forged Strength: Enhances durability and pressure handling
  • Right-Angle Elbow: Enables efficient hose and pipe routing in restricted spaces
  • Durable Construction: Mild steel ensures long service life under high loads
  • Precision Machined: Complies with BS EN 10277 thread and sealing standards
  • ISO Certified: Produced under ISO 9001 quality management systems

Downloads

Burnett & Hillman Pressure Guide

 

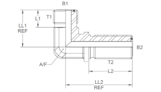
SKU Product Code T1 & T2 (") B1 & B2 (") L1 (") L2 (") LL1 (") LL2 (") A/F (")
381361 9525-04-04 9/16  0.172 0.35 1.24 0.89 1.85 0.562
381362 9525-06-06 11/16 0.264 0.41 1.34 1.02 2.05 0.75
381363 9525-08-08 13/16 0.378 0.47 1.44 1.14 2.18 0.75
381364 9525-10-10 1 0.484 0.55 1.6 1.36 2.48 1.062
381365 9525-12-12 1 3/16 0.609 0.59 1.64 1.52 2.65 1.188
381366 9506-04-04 1 7/16 0.811 0.61 1.66 1.67 2.8 1.438

 

IMPORTANT: The technical data given on this website is for preliminary information purposes only and is published without guarantee. All line drawings are for illustrative purposes only and should not be regarded as wholly accurate in every detail. We reserve the right to withdraw or to alter the specification of any product without notice. For more information, please consult our Terms of Business.

If you require any further information, our excellent customer service team is here to help so please call us on 01794 835835.

 

Grouped product items
Code Product Name List Price You Save You Pay Quantity
381361 BH Male Forged Bulkhead 90 Elbow ORFS 9/16" x 9/16" £10.50 50%
You Pay:  £5.25
381362 BH Male Forged Bulkhead 90 Elbow ORFS 11/16" x 11/16" £13.73 50%
You Pay:  £6.87
381363 BH Male Forged Bulkhead 90 Elbow ORFS 13/16" x 13/16" £15.63 50%
You Pay:  £7.82
381364 BH Male Forged Bulkhead 90 Elbow ORFS 1" x 1" £19.60 50%
You Pay:  £9.80
381365 BH Male Forged Bulkhead 90 Elbow ORFS 1 3/16" x 1 3/16" £22.67 50%
You Pay:  £11.33