BH BSPP 60° Cone x BSPP Positional Forged 90° Male Elbow

Loading...
Useful Information

Technical Specification

  • Sizes Available: 1/4" - 1 1/4"
  • Material: Mild Steel
  • Configuration: 90° elbow
  • BSPP: 60° cone for metal-to-metal sealing
  • BSPP: positional forged connection for precise orientation
  • Standard Compliance: Manufactured to BS EN 10277
  • Temperature Range: -40°C to +120°C with no pressure reduction
  • Pressure Ratings:
  • Proof Pressure: 2× working pressure
  • Burst Pressure: 4× working pressure
  • Torque Guidance: Suitable for lightly oiled steel threads
  • Quality Assurance: ISO 9001-certified production

Description

This 90° positional forged elbow connects two BSPP male threads, with one end featuring a 60° cone for secure metal-to-metal sealing. The positional forged design allows for accurate alignment of the fitting during installation, making it ideal for systems where precise hose routing is essential. Manufactured from high-strength mild steel to BS EN 10277, it offers durability, leak prevention, and reliable performance in demanding hydraulic and pneumatic applications.

Key Features & Benefits

  • Positional Forged Design: Allows accurate orientation during installation
  • Reliable Sealing: 60° cone provides a strong metal-to-metal seal
  • Right-Angle Configuration: Facilitates space-efficient hose and pipe routing
  • Strong Construction: Mild steel for durability under pressure
  • Precision Machining: Threads comply with BS EN 10277 for accurate fit
  • Versatile Use: Suitable for hydraulic, pneumatic, and fluid transfer systems
  • Quality Assured: Produced to ISO 9001-certified manufacturing standards

Downloads

Burnett & Hillman Pressure Guide
 
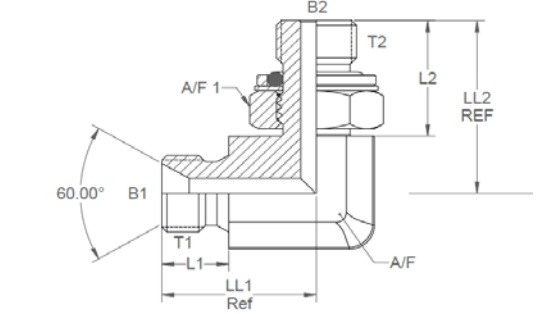
SKU  Product Code T1 & T2 (") B1 (") B2 (") L1 (") L2 (") LL1 (") LL2 (") A/F (mm) A/F1 (mm)
379895 03051FDPOS 1/4 0.205 0.296 0.433 0.787 1.023 1.377 17 19
379896 03053FDPOS 3/8 0.312 0.39 0.472 0.787 1.181 1.417 22 22
379897 03054FDPOS 1/2 0.437 0.484 0.551 1.027 1.377 1.692 24 27
379898 03056FDPOS 3/4 0.659 0.61 0.63 1.027 1.653 1.85 32 36
379899 03057FDPOS 1 0.875 0.846 0.748 1.181 1.85 2.126 41 41
379900 03058FDPOS 1 1/4 1.125 1.082 0.787 1.181 2.047 2.322 50 50

 

IMPORTANT: The technical data given on this website is for preliminary information purposes only and is published without guarantee. All line drawings are for illustrative purposes only and should not be regarded as wholly accurate in every detail. We reserve the right to withdraw or to alter the specification of any product without notice. For more information, please consult our Terms of Business.

If you require any further information, our excellent customer service team is here to help so please call us on 01794 835835.

 

Grouped product items
Code Product Name List Price You Save You Pay Quantity
379895 BH Male 90 Forged Elbow BSPP 1/4" x 1/4" £15.43 50%
You Pay:  £7.72
379896 BH Male 90 Forged Elbow BSPP 3/8" x 3/8" £18.67 50%
You Pay:  £9.33
379897 BH Male 90 Forged Elbow BSPP 1/2" x 1/2" £22.13 50%
You Pay:  £11.07
379898 BH Male 90 Forged Elbow BSPP 3/4" x 3/4" £29.67 50%
You Pay:  £14.83
379899 BH Male 90 Forged Elbow BSPP 1" x 1" £37.37 50%
You Pay:  £18.68
379900 BH Male 90 Forged Elbow BSPP 1 1/4" x 1 1/4" £64.30 50%
You Pay:  £32.15