BH BSPP 60° Cone Swept 90° Male Elbow

Loading...
Useful Information

Technical Specification

  • Sizes Available: 1/4" - 2"
  • Material: Mild Steel
  • Configuration: Swept 90° elbow
  • Seal Type: 60° cone for metal-to-metal sealing
  • Thread Type: BSPP (British Standard Pipe Parallel) male
  • Standard Compliance: Manufactured to BS EN 10277
  • Temperature Range: -40°C to +120°C with no pressure reduction
  • Pressure Ratings:
  • Proof Pressure: 2× working pressure
  • Burst Pressure: 4× working pressure
  • Torque Guidance: Suitable for lightly oiled steel threads
  • Quality Assurance: ISO 9001-certified production

Description

This swept 90° elbow adaptor features a BSPP male thread with a 60° cone for secure, leak-free metal-to-metal sealing. The swept design reduces flow resistance compared to sharp elbows, improving efficiency in hydraulic and pneumatic systems. Manufactured from durable mild steel to BS EN 10277 standards, it delivers strength, reliability, and precision in demanding fluid power applications.

Key Features & Benefits

  • Swept 90° Design: Minimises flow restriction and pressure loss
  • Secure Sealing: 60° cone provides a reliable metal-to-metal seal
  • Durable Construction: Made from high-grade mild steel
  • Precision Machining: Threads and sealing surfaces comply with BS EN 10277
  • Versatile Use: Suitable for hydraulic, pneumatic, and industrial systems
  • British Standard Threads: BSPP male for compatibility with standard fittings
  • Quality Certified: Produced under ISO 9001 manufacturing processes

Downloads

Burnett & Hillman Pressure Guide
 
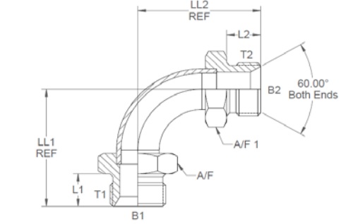
SKU Product Code T1 & T2 (") B1 & B2 (") L1 & L2 (") LL1 & LL2 (") A/F & A/F1 (mm)
379888 EBM04 1/4 0.25 0.45 1.342 19
379889 EBM06 3/8 0.375 0.52 1.604 22
379890 EBM08 1/2 0.5 0.6 2.005 27
379891 EBM10 5/8 0.562 0.7 2.232 30
379892 EBM12 3/4 0.659 0.75 2.52 32
379893 EBM16 1 0.843 0.8 2.885 41
379894 EBM32 2 1.75 1 5.19 70

 

IMPORTANT: The technical data given on this website is for preliminary information purposes only and is published without guarantee. All line drawings are for illustrative purposes only and should not be regarded as wholly accurate in every detail. We reserve the right to withdraw or to alter the specification of any product without notice. For more information, please consult our Terms of Business.

If you require any further information, our excellent customer service team is here to help so please call us on 01794 835835.

 

Grouped product items
Code Product Name List Price You Save You Pay Quantity
379888 BH Male 90 Swept Elbow BSPP 1/4" x 1/4" £8.73 50%
You Pay:  £4.37
379889 BH Male 90 Swept Elbow BSPP 3/8" x 3/8" £10.53 50%
You Pay:  £5.27
379890 BH Male 90 Swept Elbow BSPP 1/2" x 1/2" £12.87 50%
You Pay:  £6.43
379891 BH Male 90 Swept Elbow BSPP 5/8" x 5/8" £17.53 50%
You Pay:  £8.77
379892 BH Male 90 Swept Elbow BSPP 3/4" x 3/4" £19.97 50%
You Pay:  £9.98
379893 BH Male 90 Swept Elbow BSPP 1" x 1" £32.57 50%
You Pay:  £16.28
379894 BH Male 90 Swept Elbow BSPP 2" x 2" £177.57 50%
You Pay:  £88.78