GB HDPE Suction Trap

Loading...
Useful Information

Technical Specification

  • Product Type: HDPE Suction Trap with service opening
  • Water Seal Depth: 70 mm
  • Material: PE-HD (High-Density Polyethylene)
  • Seal Material: EPDM
  • Service Opening: 50 mm
  • Accessories: Supplied with protective cap
  • Installation Area: Frost-proof areas
  • UV Resistance: Yes

Description

Ideal for use in building and site drainage, this robust unit effectively prevents foul odours from escaping the drainage system. Designed for installations in frost-proof areas, it incorporates a reliable 70 mm water seal. Constructed from high-quality PE-HD and supplied with a protective cap, the unit is UV-resistant and built to withstand demanding environmental conditions.

Key Features & Benefits

  • Corrosion Resistance: Durable PE-HD material resists chemical and environmental corrosion.
  • Sealing Integrity: Fitted with a high-performance EPDM seal and PP screw cap for secure, leak-free operation.
  • Expansion Socket: Facilitates flexibility during installation, reducing stress on the pipe system.
  • UV Protection: Built to endure long-term outdoor exposure without material degradation.
  • Frost-Safe Installation: Engineered for use in frost-proof environments to ensure year-round reliability.
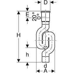
SKU Geberit Code DN d (mm) Discharge Rate (l/s) G (") A (cm) D (cm) E (cm) L (cm) H (cm) h (cm)
489478 365.813.16.1 75 75 3.8 2 1/2 19.8 9.8 8 - 10.5 0 - 60 66.7 16.6
489479 367.813.16.1 100 110 9.6 4 28.8 13.6 8 - 10.5 0 - 60 80.8 21.7

IMPORTANT: The technical data given on this website is for preliminary information purposes only and is published without guarantee. All line drawings are for illustrative purposes only and should not be regarded as wholly accurate in every detail. We reserve the right to withdraw or to alter the specification of any product without notice. For more information, please consult our Terms of Business.

If you require any further information, our excellent customer service team is here to help so please call us on 01794 835835.

 

Grouped product items
Code Product Name List Price You Save You Pay Quantity
489478 GB HDPE Suction Trap With Service Opening 75mm x 2 1/2" £99.61 47%
You Pay:  £52.79
489479 GB HDPE Suction Trap With Service Opening 110mm x 4" £157.21 47%
You Pay:  £83.32