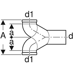
GB HDPE Double Connection Bend Offset 90

Loading...
Useful Information

Technical Specification

  • Material: PE-HD (High-Density Polyethylene)
  • Configuration: Double 90° offset connection
  • Application:
  • Building drainage
  • Site drainage
  • Compact installations requiring dual bends
  • Connection Method: Suitable for electrofusion welding
  • Resistance:
  • UV and weather-resistant
  • Resistant to a broad range of chemicals and temperatures

Description

This double connection bend is a high-performance fitting designed to provide two offset 90° branch connections on HDPE piping systems. Manufactured from high-density polyethylene, it enables space-efficient pipe routing in confined installations. Its robust construction ensures durability under demanding conditions in both building and site drainage systems.

Key Features & Benefits

  • Space-saving design: Facilitates two 90° offset connections from a single fitting
  • Durable PE-HD material: Resists impact, chemicals, and thermal fluctuations
  • Electrofusion compatible: Easy to install with Geberit welding couplings
  • UV-resistant: Suitable for both indoor and outdoor applications
  • Leak-proof performance: Ensures reliable sealing in complex pipe layouts
SKU Geberit Code DN d (mm) d1 (mm) Arc ° A (cm) a (cm) L (cm) H (cm) K (cm)
489468 367.485.16.1 100/90 110 90 90 27.5 10.5 34 10 12

IMPORTANT: The technical data given on this website is for preliminary information purposes only and is published without guarantee. All line drawings are for illustrative purposes only and should not be regarded as wholly accurate in every detail. We reserve the right to withdraw or to alter the specification of any product without notice. For more information, please consult our Terms of Business.

If you require any further information, our excellent customer service team is here to help so please call us on 01794 835835.

 

Grouped product items
Code Product Name List Price You Save You Pay Quantity
489468 GB HDPE Double Connection Bend Offset 90 110mm x 90mm £142.90 47%
You Pay:  £75.74