Geberit HDPE Triple Branchball

Loading...
Useful Information

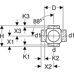
Technical Specification

  • Connection angle: 88.5°
  • Offsets: 90° or 135° versions available
  • Colour: Black
  • Material: PE-HD (high-density polyethylene)
  • Conformity: BBA-certified

Description

Designed for multi-directional waste and drainage systems, the triple branchball fitting enables efficient three-way distribution of HDPE pipework. With an angle of 88.5° and multiple diameters available, it’s ideal for high-density installations where precise directional changes are required. The offset configuration aids in reducing turbulence and flow resistance, ensuring optimal hydraulic performance. Manufactured from high-quality PE-HD, this fitting is UV-resistant and built for longevity in both above- and below-ground systems.

Key Features & Benefits

  • Three-way connection at 88.5° for complex branching systems
  • UV-resistant, durable PE-HD construction
  • Ideal for waste, rainwater and industrial drainage systems
  • Smooth internal bore reduces risk of blockages
  • Suitable for butt-welding and electrofusion assembly
SKU Geberit Code DN d (mm) d1 (mm) Arc° Arc 2 ° D (cm) H (cm) X1  (cm) X2  (cm) X3  (cm) K1 Max  (cm) K1 Max)  (cm) K1 Max  (cm)
489272 367.600.16.1 100 110 110 88.5 135 17 20 10 12 10 1.5 4 1.5
489273 369.605.16.1 150/100 160 110 88.5 90 23 25 12.5 16 12.5 2 1.5 2

IMPORTANT: The technical data given on this website is for preliminary information purposes only and is published without guarantee. All line drawings are for illustrative purposes only and should not be regarded as wholly accurate in every detail. We reserve the right to withdraw or to alter the specification of any product without notice. For more information, please consult our Terms of Business.

If you require any further information, our excellent customer service team is here to help so please call us on 01794 835835.

 

Grouped product items
Code Product Name List Price You Save You Pay Quantity
489272 GB HDPE Triple Branchball 88.5, 135 offset 110mm £59.15 47%
You Pay:  £31.35
489273 GB HDPE Triple Branchball 88.5, 90 offset 160mm x 110mm £93.89 47%
You Pay:  £49.76