Geberit HDPE Swept Branch 88.5

Loading...
Useful Information

Technical Specification

  • Angle: 88.5°
  • Material: PE-HD (High-Density Polyethylene)
  • Colour: Black
  • Applications: Commercial soil and waste systems, site drainage
  • Installation: Weldable on both sides using Geberit electrofusion couplings
  • Standards: BBA certified, compliant with UK regulations

Description

Ideal for high-capacity drainage systems, this fitting facilitates smooth directional changes with minimal flow resistance. Its 88.5° swept profile supports the efficient conveyance of waste while reducing blockages and turbulence within the system. Engineered from UV-stable, chemical-resistant HDPE, it's suitable for demanding building and site drainage applications.

Key Features & Benefits

  • Manufactured from high-quality, impact-resistant PE-HD
  • Compatible with butt-welding and electrofusion techniques
  • Suitable for both high-rise buildings and standard commercial drainage
  • UV-resistant and chemically robust for long-term reliability
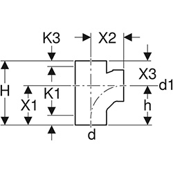
SKU Geberit Code DN d (mm) d1 (mm) Arc° H (cm) h (cm) X1 (cm) X2 (cm) X3 (cm) K1 Max (cm) K3 Max (cm)
489256 367.163.16.1 100 110 110 88.5 22.5 13.8 13.8 11.5 9 2.5 0

IMPORTANT: The technical data given on this website is for preliminary information purposes only and is published without guarantee. All line drawings are for illustrative purposes only and should not be regarded as wholly accurate in every detail. We reserve the right to withdraw or to alter the specification of any product without notice. For more information, please consult our Terms of Business.

If you require any further information, our excellent customer service team is here to help so please call us on 01794 835835.

 

Grouped product items
Code Product Name List Price You Save You Pay Quantity
489256 GB HDPE Swept Branch 88.5 110mm £14.57 47%
You Pay:  £7.72