GB HDPE Short Eccentric Reducer

Loading...
Useful Information

Technical Specification

  • Material: PE-HD (High-Density Polyethylene)
  • Type: Short Eccentric Reducer
  • Colour: Black
  • Application: Commercial and site drainage
  • Certifications: BBA approved
  • UV Resistance: Yes
  • Connection Method: Butt-welding or electrofusion

Description

This compact reducer is designed to transition between different pipe diameters while maintaining the invert level of horizontal drainage runs. Its eccentric geometry allows for uninterrupted flow and prevents pooling. Made from UV-resistant, high-density polyethylene, it's suitable for both above-ground and underground installations in commercial and industrial environments.

Key Features & Benefits

  • Short eccentric form preserves consistent flow direction
  • Durable, chemical- and impact-resistant PE-HD
  • UV-stable for external applications
  • Compatible with electrofusion and butt-welding joints
  • Ideal for tight installation zones
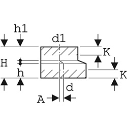
SKU Geberit Code DN d (mm) d1 (mm) A (cm) H (cm) h (cm) h1 (cm) K (cm)
489277 361.558.16.1 50/40 50 40 0.5  8 3.5 3.7 2
489278 363.558.16.1 56/40 56 40 0.8 8 3.5 3.7 2
489279 363.561.16.1 56/50 56 50 0.3 8 3.5 3.7 2
489280 364.566.16.1 60/50 63 50 0.7 8 3.5 3.7 2
489281 365.566.16.1 70/56 75 56 1 8 3.5 3.7 2
489282 365.571.16.1 70/60 75 63 0.6 8 3.5 3.7 2
489283 366.566.16.1 90/56 90 56 1.7 8 3.5 3.7 2
489284 366.576.16.1 90/70 90 75 0.8 8 3.5 3.7 2
489285 367.561.16.1 100/50 110 50 2.9 8 3.5 3.7 2
489286 367.566.16.1 100/56 110 56 2.6 8 3.5 3.7 2
489287 367.576.16.1 100/70 110 75 1.6 8 3.5 3.7 2
489288 367.581.16.1 100/90 110 90 0.9 8 3.5 3.7 2
489289 368.561.16.1 125/50 125 50 3.6 8 3.5 3.7 2
489290 369.586.16.1 150/100 160 110 2.3 8 3.5 3.7 2

IMPORTANT: The technical data given on this website is for preliminary information purposes only and is published without guarantee. All line drawings are for illustrative purposes only and should not be regarded as wholly accurate in every detail. We reserve the right to withdraw or to alter the specification of any product without notice. For more information, please consult our Terms of Business.

If you require any further information, our excellent customer service team is here to help so please call us on 01794 835835.

 

Grouped product items
Code Product Name List Price You Save You Pay Quantity
489277 GB HDPE Short Eccentric Reducer 50mm x 40mm £3.55 47%
You Pay:  £1.88
489278 GB HDPE Short Eccentric Reducer 56mm x 40mm £3.84 47%
You Pay:  £2.04
489279 GB HDPE Short Eccentric Reducer 56mm x 50mm £3.84 47%
You Pay:  £2.04
489280 GB HDPE Short Eccentric Reducer 63mm x 50mm £4.19 47%
You Pay:  £2.22
489281 GB HDPE Short Eccentric Reducer 75mm x 56mm £4.80 47%
You Pay:  £2.54
489282 GB HDPE Short Eccentric Reducer 75mm x 63mm £4.80 47%
You Pay:  £2.54
489283 GB HDPE Short Eccentric Reducer 90mm x 56mm £6.52 47%
You Pay:  £3.46
489284 GB HDPE Short Eccentric Reducer 90mm x 75mm £6.52 47%
You Pay:  £3.46
489285 GB HDPE Short Eccentric Reducer 110mm x 50mm £7.16 47%
You Pay:  £3.79
489286 GB HDPE Short Eccentric Reducer 110mm x 56mm £7.16 47%
You Pay:  £3.79
489287 GB HDPE Short Eccentric Reducer 110mm x 75mm £7.16 47%
You Pay:  £3.79
489288 GB HDPE Short Eccentric Reducer 110mm x 90mm £7.16 47%
You Pay:  £3.79
489289 GB HDPE Short Eccentric Reducer 125mm x 50mm £11.55 47%
You Pay:  £6.12
489290 GB HDPE Short Eccentric Reducer 160mm x 110mm £16.04 47%
You Pay:  £8.50