Geberit HDPE Quadruple Branchball

Loading...
Useful Information

Technical Specification

  • Material: PE-HD
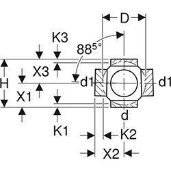
  • Angle: 88.5°
  • Colour: Black
  • Connection Offset: 90°
  • UV-resistant: Yes
  • Applications: Building drainage (above and below ground)

Description

Designed for efficient connection of multiple discharge lines, this fitting is engineered with four branch inlets positioned at 90° offsets, ideal for high-density building drainage applications. Manufactured from high-quality PE-HD, it ensures reliable, long-lasting performance in both residential and commercial soil and waste systems. The UV-resistant body enhances durability, even in exposed installations. The 88.5° angle optimises flow while maintaining system integrity.

Key Features & Benefits

  • Four-way connectivity at 88.5° angles
  • Durable PE-HD construction for chemical and impact resistance
  • UV-resistant for internal and external applications
  • Compact geometry aids in space-saving installations
  • Suitable for welding on all sides using electrofusion
SKU Geberit Code DN d (mm) d1 (mm) Arc° Arc 2 ° D (cm) H (cm) X1 (cm) X2 (cm) X3 (cm) K1 Max (cm) K2 Max (cm) K3 Max (cm)
489274 367.610.16.1 100 110 110 88.5 90 17 20 10 12 10 1.5 4 1.5

IMPORTANT: The technical data given on this website is for preliminary information purposes only and is published without guarantee. All line drawings are for illustrative purposes only and should not be regarded as wholly accurate in every detail. We reserve the right to withdraw or to alter the specification of any product without notice. For more information, please consult our Terms of Business.

If you require any further information, our excellent customer service team is here to help so please call us on 01794 835835.

 

Grouped product items
Code Product Name List Price You Save You Pay Quantity
489274 GB HDPE Quadruple Branchball 88.5, 90 offset 110mm £65.74 47%
You Pay:  £34.84