GB HDPE Long Eccentric Reducer

Loading...
Useful Information

Technical Specification

  • Material: PE-HD (High-Density Polyethylene)
  • Length Range: Approx. 16cm to 58cm depending on size
  • Applications: Soil and waste drainage in commercial buildings
  • Connection Method: Butt-weld and electrofusion compatible
  • Certifications: BBA Approved
  • Colour: Black

Description

This fitting provides a smooth, level-preserving transition between pipe diameters while compensating for offset alignment. Ideal for installations requiring continuous fall in horizontal drainage runs, its elongated design reduces flow disruption and pooling. Manufactured from UV-stabilised PE-HD, it delivers high durability, chemical resistance, and long service life across both internal and external drainage systems.

Key Features & Benefits

  • Long eccentric profile ensures consistent gradient and flow
  • Manufactured from tough, UV-resistant PE-HD
  • Suitable for butt-welding and electrofusion techniques
  • Designed for chemical, impact, and temperature resistance
  • Excellent for commercial and site drainage requiring precision alignment
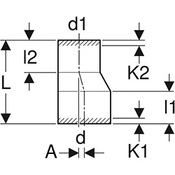
SKU Geberit Code Size (mm) d (mm) d1 (mm) A (cm) Length (cm)  I1 (cm) I2 (cm)  K1 Max (cm)  K2 Max (cm) 
489308 368.584.16.1 125/110 125 110 0.7  16 7 6.4 4 3
489309 369.584.16.1 150/110 160 110 2.5 28 9.4 6.4 6 3
489310 369.587.16.1 150/125 160 125 1.7 24 9.4 8 6 5
489311 370.584.16.5 200/100 200 110 4.3 28 11.5 3.7 4 0
489312 370.594.16.5 200/150 200 160 2 28 11.9 9.1 4 6
489313 371.596.16.1 250/200 250 200 2.5 40.5 15.8 15.7 8 8
489314 372.596.16.1 300/200 315 200 5.7 58 16.1 15.7 8 8
489315 372.598.16.1 300/250 315 250 3.2 43.5 16.1 15.7 8 8

IMPORTANT: The technical data given on this website is for preliminary information purposes only and is published without guarantee. All line drawings are for illustrative purposes only and should not be regarded as wholly accurate in every detail. We reserve the right to withdraw or to alter the specification of any product without notice. For more information, please consult our Terms of Business.

If you require any further information, our excellent customer service team is here to help so please call us on 01794 835835.

 

Grouped product items
Code Product Name List Price You Save You Pay Quantity
489308 GB HDPE Long Eccentric Reducer 125mm x 110mm £12.99 47%
You Pay:  £6.88
489309 GB HDPE Long Eccentric Reducer 160mm x 110mm £87.42 47%
You Pay:  £46.33
489310 GB HDPE Long Eccentric Reducer 160mm x 125mm £87.42 47%
You Pay:  £46.33
489311 GB HDPE Long Eccentric Reducer 200mm x 110mm £110.87 47%
You Pay:  £58.76
489312 GB HDPE Long Eccentric Reducer 200mm x 160mm £110.87 47%
You Pay:  £58.76
489313 GB HDPE Long Eccentric Reducer 250mm x 200mm £192.88 47%
You Pay:  £102.23
489314 GB HDPE Long Eccentric Reducer 315mm x 200mm £269.50 47%
You Pay:  £142.84
489315 GB HDPE Long Eccentric Reducer 315mm x 250mm £269.50 47%
You Pay:  £142.84