Geberit HDPE Double Branch 45

Loading...
Useful Information

Technical Specification

  • Material: PE-HD (High-Density Polyethylene)
  • Configuration: Double branch (two inlets at 45°)
  • Colour: Black
  • Application: Commercial and high-rise soil and waste drainage
  • Installation Method: Butt-welding or electrofusion welding
  • Standards: BBA certified and conforms to UK regulations

Description

Engineered for dual waste line connections, this fitting offers two 45° inlets to facilitate efficient and compact drainage layouts. Designed to optimise flow and minimise resistance, it ensures reliable performance in building and site drainage systems. Its high-grade HDPE construction provides excellent durability under chemical, thermal, and mechanical stresses.

Key Features & Benefits

  • Dual-branch configuration at 45° for streamlined waste integration
  • Made from high-density polyethylene (PE-HD) for maximum durability
  • Electrofusion and butt-welding compatible with strong, leak-proof joints
  • UV-resistant and chemically robust for versatile installation environments
  • Ideal for horizontal or vertical drainage runs in multi-stack systems
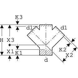
SKU Geberit Code DN d (mm) d1 (mm) Arc° H (cm) X1 (cm) X2 (cm) X3 (cm) K1 Max (cm) K2 Max (cm) K3 Max (cm)
489258 367.209.16.1 100/40 110 40 45  27 9 18 18 9.5 6 7.5
489259 367.212.16.1 100/50 110 50 45 27 9 18 18 9.5 6 7.5
469260 367.235.16.1 100 110 110 45 27 9 18 18 1.5 1.5 1.5

IMPORTANT: The technical data given on this website is for preliminary information purposes only and is published without guarantee. All line drawings are for illustrative purposes only and should not be regarded as wholly accurate in every detail. We reserve the right to withdraw or to alter the specification of any product without notice. For more information, please consult our Terms of Business.

If you require any further information, our excellent customer service team is here to help so please call us on 01794 835835.

 

Grouped product items
Code Product Name List Price You Save You Pay Quantity
489258 GB HDPE Double Branch 45 110mm x 40mm £25.80 47%
You Pay:  £13.67
489259 GB HDPE Double Branch 45 110mm x 50mm £25.80 47%
You Pay:  £13.67
489260 GB HDPE Double Branch 45 110mm £25.80 47%
You Pay:  £13.67