Geberit HDPE Branch 88.5

Loading...
Useful Information

Technical Specification

  • Material: High-Density Polyethylene (PE-HD)
  • Branch Angle: 88.5°
  • Weld Type: Electrofusion-compatible on all sockets
  • Available Sizes: 50mm - 315mm
  • Colour: Black
  • Application: Building drainage, site drainage
  • Certification: BBA certified

Description

This 88.5° HDPE branch fitting is designed for efficient and reliable connection of horizontal and vertical drainage lines. Made from high-density polyethylene, it offers excellent resistance to chemicals, impact, and UV exposure. Ideal for commercial and site drainage installations, the 88.5° angle provides optimised flow characteristics while minimising turbulence at junctions.

Key Features & Benefits

  • Durable PE-HD construction – corrosion and UV-resistant
  • Enables smooth directional changes with minimal pressure loss
  • Suitable for electrofusion welding on all socket ends
  • Available in a wide range of main and branch diameter combinations
  • Ideal for both above-ground and underground drainage systems
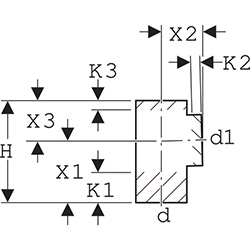
SKU Geberit Code DN d (mm) d1 (mm) Arc° H (cm) X1 (cm) X2 (cm) X3 (cm) K1 Max (cm) K2 max (cm) K3 Max (cm)
489219 361.162.16.1 50 50 50 88.5 15 9 6 6 5.5 2.5 2.5
489220 363.165.16.1 56 56 56 88.5  17.5 10.5 7 7 6.5 3 3
489221 365.175.16.1 70 75 75 88.5 17.5 10.5 7 7 5.5 2.5 2.5
489222 367.185.16.1 100 110 110 88.5 22.5 13.5 9 9 6.5 2 2
489223 365.170.16.1 70/60 75 63 88.5 17.5 10.5 7 7 6 2.5 2.5
489225 367.159.16.1 100/40 110 40 88.5 22.5 13.5 9 9 10 2.5 6
489226 367.162.16.1 100/50 110 50 88.5 22.5 13.5 9 9 9.5 2.5 5
489227 367.165.16.1 100/56 110 56 88.5 22.5 13.5 9 9 9 2.5 4.5
489228 367.175.16.1 100/70 110 75 88.5 22.5 13.5 9 9 8.5 2.5 3.5
489229 368.175.16.1 125/70 125 75 88.5 25 15 10 10 10 2.5 4.5
489230 369.175.16.1 150/70 160 75 88.5 35 21 14 14 15 4.5 8
489231 369.185.16.1 150/100 160 110 88.5 35 21 14 14 13.5 4.5 6
489232 372.185.16.1 300/100 315 110 88.5 56 28 28 28 9.5 6 9.5
489233 372.197.16.1 300/250 315 250 88.5 56 28 28 28 2 0 2

IMPORTANT: The technical data given on this website is for preliminary information purposes only and is published without guarantee. All line drawings are for illustrative purposes only and should not be regarded as wholly accurate in every detail. We reserve the right to withdraw or to alter the specification of any product without notice. For more information, please consult our Terms of Business.

If you require any further information, our excellent customer service team is here to help so please call us on 01794 835835.

 

Grouped product items
Code Product Name List Price You Save You Pay Quantity
489220 GB HDPE Branch 88.5 56mm £6.60 47%
You Pay:  £3.50
489221 GB HDPE Branch 88.5 75mm £8.68 47%
You Pay:  £4.60
489222 GB HDPE Branch 88.5 110mm £12.90 47%
You Pay:  £6.84
489223 GB HDPE Branch 88.5 75mm x 63mm £8.68 47%
You Pay:  £4.60
489225 GB HDPE Branch 88.5 110mm x 40mm £12.90 47%
You Pay:  £6.84
489226 GB HDPE Branch 88.5 110mm x 50mm £12.90 47%
You Pay:  £6.84
489227 GB HDPE Branch 88.5 110mm x 56mm £12.90 47%
You Pay:  £6.84
489228 GB HDPE Branch 88.5 110mm x 75mm £12.90 47%
You Pay:  £6.84
489229 GB HDPE Branch 88.5 125mm x 75mm £19.63 47%
You Pay:  £10.40
489230 GB HDPE Branch 88.5 160mm x 75mm £72.89 47%
You Pay:  £38.63
489231 GB HDPE Branch 88.5 160mm x 110mm £72.89 47%
You Pay:  £38.63
489219 GB HDPE Branch 88.5 50mm £6.54 47%
You Pay:  £3.47
489232 GB HDPE Branch 88.5 315mm x 110mm £239.58 47%
You Pay:  £126.98
489233 GB HDPE Branch 88.5 315mm x 250mm £239.58 47%
You Pay:  £126.98