GB HDPE Access Pipe With Round Opening

Loading...
Useful Information

Technical Specification

  • Material: PE-HD
  • Cap: PP, sealed with EPDM
  • Installation Angle: 90° and 45°
  • Available Sizes: 75mm - 160mm
  • Application: Building and site drainage

Description

Designed for maintenance and inspection efficiency, this access pipe provides a convenient solution for monitoring and cleaning HDPE drainage systems. Suitable for vertical installations, its round opening is covered with a screwed cap for secure sealing and ease of access. Constructed from UV-resistant PE-HD, it ensures durability and long-term reliability in demanding environments.

Key Features & Benefits

  • Facilitates inspection and cleaning of HDPE drainage lines
  • Suitable for all drainage pipes in vertical applications
  • Screw cap made of PP with integrated EPDM seal for watertight closure
  • Highly resistant to UV radiation for long-term outdoor use
  • Robust construction using high-density polyethylene (PE-HD)
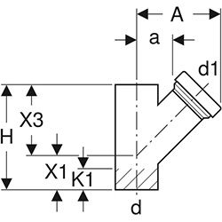
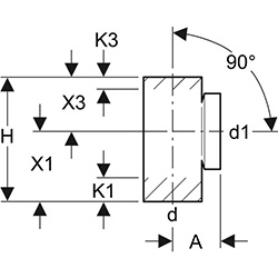
SKU Geberit Code Size (mm) d (mm) d1 (mm) Arc° A (cm) a (cm) H (cm) X1 (cm) X3 (cm) K1 Max (cm) K3 Max (cm)
489316 365.451.16.1 70 75 75 90 9.5   17.5 10.5 7 4.5 0
489317 366.451.16.1 90 90 90 90 11    20 12 8 3 0
489318 367.451.16.1 100 110 110 90 9   24 13.5 10.5 4.5 0
489319 369.451.16.1 150/100 160 110 90 15   35 21 14 12 4
489325 367.453.16.1 100 110 110 45 19.5 6.5 27 9 18 5.5  
489326 369.453.16.1 150/100 160 110 45 22 9 37.5 12.5 25 11  

IMPORTANT: The technical data given on this website is for preliminary information purposes only and is published without guarantee. All line drawings are for illustrative purposes only and should not be regarded as wholly accurate in every detail. We reserve the right to withdraw or to alter the specification of any product without notice. For more information, please consult our Terms of Business.

If you require any further information, our excellent customer service team is here to help so please call us on 01794 835835.

 

Grouped product items
Code Product Name List Price You Save You Pay Quantity
489316 GB HDPE Access Pipe 90 With Round Opening 75mm £30.83 47%
You Pay:  £16.34
489317 GB HDPE Access Pipe 90 With Round Opening 90mm £41.05 47%
You Pay:  £21.76
489318 GB HDPE Access Pipe 90 With Round Opening 110mm £42.89 47%
You Pay:  £22.73
489319 GB HDPE Access Pipe 90 With Round Opening 160mm x 110mm £101.95 47%
You Pay:  £54.03
489325 GB HDPE Access Pipe 45 With Round Opening 110mm £41.47 47%
You Pay:  £21.98
489326 GB HDPE Access Pipe 45 With Round Opening 160mm x 110mm £101.95 47%
You Pay:  £54.03