GB HDPE Reducing Adaptor With Shrink Fitted Sleeve

Loading...
Useful Information

Technical Specification

  • Material: PE-HD (High-Density Polyethylene)
  • Connection Method: Shrink-fitted sleeve
  • Available Sizes: 40mm, 75mm, 110mm, 160mm
  • Application: Building and site drainage
  • Certifications: BBA Approved
  • Installation: Typically used in conjunction with electrofusion or butt-welded systems

Description

This reducing adaptor enables the secure connection of Geberit HDPE pipes with differing diameters, featuring a shrink-fitted sleeve that ensures a tight and watertight seal. Ideal for vertical or horizontal installations, this fitting is particularly effective in retrofit or space-constrained applications. Made from UV-resistant PE-HD, it provides excellent durability and chemical resistance in drainage environments.

Key Features & Benefits

  • Connects HDPE pipes of different diameters using a shrink-fitted sleeve
  • Ensures leak-proof, pressure-resistant joints
  • UV-resistant and chemically robust PE-HD construction
  • Compact design suitable for tight installation spaces
  • Ideal for new builds and retrofits
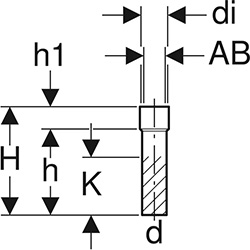
SKU Geberit Code DN d (mm) AB1 (mm) AB2 (mm) di (mm) H (cm) h (cm) h1 (cm) K (cm)
489379 152.155.16.1 40 40 60-67 53-60 70 24.9 20.6 4.3 13
489378 152.151.16.1 70 75 80-84 73-77 90 24.2 17.6 6.6 13
489380 367.550.16.1 100 110 102-126 100-124 140 18 7.5 10.5 1
489381 369.550.16.1 150 160 148-180 149-176 195 20 8.3 11.7 1

IMPORTANT: The technical data given on this website is for preliminary information purposes only and is published without guarantee. All line drawings are for illustrative purposes only and should not be regarded as wholly accurate in every detail. We reserve the right to withdraw or to alter the specification of any product without notice. For more information, please consult our Terms of Business.

If you require any further information, our excellent customer service team is here to help so please call us on 01794 835835.

 

Grouped product items
Code Product Name List Price You Save You Pay Quantity
489378 GB HDPE Reducing Adaptor With Shrink Fitted Sleeve 75mm £35.73 47%
You Pay:  £18.94
489379 GB HDPE Reducing Adaptor With Shrink Fitted Sleeve 40mm £27.27 47%
You Pay:  £14.45
489380 GB HDPE Reducing Adaptor With Shrink Fitted Sleeve 110mm £42.89 47%
You Pay:  £22.73
489381 GB HDPE Reducing Adaptor With Shrink Fitted Sleeve 160mm £72.89 47%
You Pay:  £38.63