GB HDPE Reducing Adaptor To Cast Iron

Loading...
Useful Information

Technical Specification

  • Material: PE-HD (High-Density Polyethylene)
  • Connection: Metric HDPE to cast iron (typically imperial)
  • Installation: Requires appropriate sealing sleeves or collars
  • Applications: Soil and waste drainage, system upgrades
  • Conformity: BBA Certified

Description

This adaptor is specifically designed to connect Geberit HDPE pipework to cast iron drainage systems with differing diameters. It provides a secure and reliable transition between materials, ideal for refurbishment or hybrid installations in both commercial and residential applications. Manufactured from high-quality, UV-resistant PE-HD, it ensures long-term durability and chemical resistance in challenging environments.

Key Features & Benefits

  • Reduces from HDPE to cast iron pipe sizes
  • Compatible with common cast iron diameters used in the UK
  • Durable, UV-resistant and impact-resistant PE-HD construction
  • Provides leak-proof joint when used with correct sealing accessories
  • Suitable for internal and external drainage systems
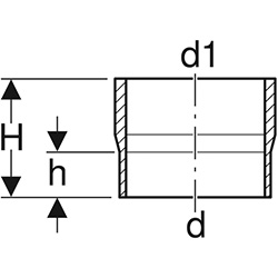
SKU Geberiit Code DN d (mm) d1 (mm) H (cm) h (cm) Type
489369 359.268.16.1 125 125 135 10 5.1 With Support Ring
489370 371.738.16.1 250 250 274 16 11.5 Without Support Ring
489371 372.738.16.1 300 315 326 16 11.5 Without Support Ring

IMPORTANT: The technical data given on this website is for preliminary information purposes only and is published without guarantee. All line drawings are for illustrative purposes only and should not be regarded as wholly accurate in every detail. We reserve the right to withdraw or to alter the specification of any product without notice. For more information, please consult our Terms of Business.

If you require any further information, our excellent customer service team is here to help so please call us on 01794 835835.

 

Grouped product items
Code Product Name List Price You Save You Pay Quantity
489369 GB HDPE Reducing To Cast Iron, Support Ring 125mm x 135mm £71.49 47%
You Pay:  £37.89
489370 GB HDPE Reducing Adaptor To Cast Iron 250mm x 274mm £278.16 47%
You Pay:  £147.42
489371 GB HDPE Reducing Adaptor To Cast Iron 300mm x 326mm £308.66 47%
You Pay:  £163.59