GB HDPE Adaptor Clamping Connector

Loading...
Useful Information

Technical Specification

  • Material: PE-HD with integrated metal clamping bands
  • Connection Type: Mechanical clamp
  • Pipe Compatibility: Metric HDPE to various external diameters of other materials
  • Installation: Tool-assisted tightening for a secure fit
  • Applications: Building drainage, refurbishment, site drainage transitions
  • Standards: BBA Certified

Description

This adaptor clamping connector provides a reliable and versatile solution for joining HDPE pipes to other materials such as clay, concrete, or cast iron. The integrated clamping mechanism ensures a tight and watertight seal without the need for welding or solvent bonding. Suitable for both retrofit and new installations, it is an ideal choice where dissimilar materials must be securely connected in drainage systems.

Key Features & Benefits

  • Facilitates transition from HDPE to clay, concrete, or cast iron
  • Mechanical clamping design for a strong, leak-proof seal
  • Made from corrosion-resistant and durable materials
  • Ideal for underground and above-ground use
  • Quick installation without the need for welding
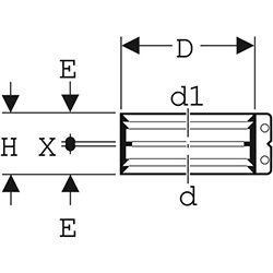
SKU Geberit Code DN d (mm) d1 (mm) D (cm) E (cm) H (cm) X (cm)
489382 359.426.00.2 56 56 58 7.5 2.7 5.7 0.3
489383 359.427.00.2 56 56 68 8.3 2.7 5.7 0.3
489384 359.428.00.2 60 63 60 7.8 2.7 5.7 0.3
489385 359.429.00.2  60 63-64 63-64 7.8 2.7 5.7 0.3
489386 359.430.00.2 60 63-64 68 8.3 2.7 5.7 0.3
489387 359.433.00.2 70 75-76 75-76 8.8 2.7 5.7 0.3
489388 359.434.00.2 70 75-76 78 9.3 2.7 5.7 0.3
489389 359.435.00.2 70 75-76 83-84 9.8 2.7 5.7 0.3
489390 359.437.00.2 90 89-90 83-84 11.1 2.7 5.7 0.3
489391 359.438.00.2 90 89-90 89-90 10.3 2.7 5.7 0.3
489392 359.440.00.2 100 108-110 106 12.5 2.7 5.7 0.3
489393 359.441.00.2 100 108-110 108-110 12.5 2.7 5.7 0.3
489394 359.442.00.2  100 108-110 114-116 13.1 3.3 6.9 0.3
489395 359.443.00.2 125 125 125 14 2.7 5.7 0.3
489396 359.445.00.2 125 125 140-141 15.6 3.3 6.9 0.3
489397 359.448.00.2 150 159-160 152 17.5 3.3 6.9 0.3
489398 359.449.00.2 150 159-160 159-160 17.5 3.3 6.9 0.3
489399 359.450.00.2 150 159-160 168 18.3 3.3 6.9 0.3

IMPORTANT: The technical data given on this website is for preliminary information purposes only and is published without guarantee. All line drawings are for illustrative purposes only and should not be regarded as wholly accurate in every detail. We reserve the right to withdraw or to alter the specification of any product without notice. For more information, please consult our Terms of Business.

If you require any further information, our excellent customer service team is here to help so please call us on 01794 835835.

 

Grouped product items
Code Product Name List Price You Save You Pay Quantity
489382 GB HDPE Adaptor Clamping Connector 56mm x 58mm £26.38 47%
You Pay:  £13.98
489383 GB HDPE Adaptor Clamping Connector 56mm x 68mm £26.38 47%
You Pay:  £13.98
489384 GB HDPE Adaptor Clamping Connector 63mm x 60mm £27.25 47%
You Pay:  £14.44
489385 GB HDPE Adaptor Clamping Connector 63 - 64mm x 63 - 64mm £27.25 47%
You Pay:  £14.44
489386 GB HDPE Adaptor Clamping Connector 63 - 64mm x 68mm £27.25 47%
You Pay:  £14.44
489387 GB HDPE Adaptor Clamping Connector 75 - 76mm x 75 - 76mm £27.60 47%
You Pay:  £14.63
489388 GB HDPE Adaptor Clamping Connector 75 - 76mm x 78mm £28.16 47%
You Pay:  £14.92
489389 GB HDPE Adaptor Clamping Connector 75 - 76mm x 83 - 84mm £27.60 47%
You Pay:  £14.63
489390 GB HDPE Adaptor Clamping Connector 89 - 90mm x 83 - 84mm £29.02 47%
You Pay:  £15.38
489391 GB HDPE Adaptor Clamping Connector 89 - 90mm x 89 - 90mm £29.02 47%
You Pay:  £15.38
489392 GB HDPE Adaptor Clamping Connector 108 - 110mm x 106mm £29.91 47%
You Pay:  £15.85
489393 GB HDPE Adaptor Clamping Connector 108 - 110mm x 108 - 110mm £29.91 47%
You Pay:  £15.85
489394 GB HDPE Adaptor Clamping Connector 108 - 110mm x 114 - 116mm £29.91 47%
You Pay:  £15.85
489395 GB HDPE Adaptor Clamping Connector 125mm x 125mm £35.16 47%
You Pay:  £18.63
489396 GB HDPE Adaptor Clamping Connector 125mm x 140 - 141mm £35.16 47%
You Pay:  £18.63
489397 GB HDPE Adaptor Clamping Connector 159 - 160mm x 152mm £56.31 47%
You Pay:  £29.84
489398 GB HDPE Adaptor Clamping Connector 159 - 160mm x 159 - 160mm £56.31 47%
You Pay:  £29.84
489399 GB HDPE Adaptor Clamping Connector 159 - 160mm x 168mm £56.31 47%
You Pay:  £29.84