Vulcathene Dilution Recovery Trap 4.5L
Technical Specification
- Manufacturer: Durapipe
- Material: Black co-polymer polypropylene
- Trap capacity: Up to 4.5 litres
- Liquid seal depth: 76mm
- Outlet size: 50mm
- Operating temperature: -20°C to 100°C
- Standards: Manufactured to ISO 9001
- Approvals: BBA Approved, Certificate 24/7091
- Application: Chemical and laboratory waste drainage
Description
The Vulcathene 4.5L Dilution Recovery Trap is a high-capacity anti-siphonic unit designed for chemical waste systems where larger volumes of effluent or solids are expected, particularly in installations with restricted under-bench height.
With a generous 4.5 litre holding capacity and a 76mm liquid seal, the trap provides effective dilution, containment, and protection against siphonage. Its compact vertical profile makes it especially useful in confined spaces while still offering substantial recovery volume.
The unit is supplied complete with dip tubes, nuts, olives, and a blanking-off plug, allowing flexibility in how it is configured. Where the trap is intended to function solely as a dilution chamber, the dip tubes can be omitted entirely. Additional dip tubes are available separately if required.
Routine maintenance is straightforward. To clean the trap, the union nuts on the lid are disconnected, the dip tubes withdrawn, and the interior of the dilution chamber carefully flushed. The lid should not be separated from the chamber body during this process.
For installation flexibility, a 51mm nut and olive are supplied to allow ‘P’ trap configuration.
Manufactured from chemically resistant co-polymer polypropylene, the trap is well suited to demanding laboratory and industrial environments where aggressive liquids, solids, and temperature variation are present.
Key Features & Benefits
- Large recovery volume: Holds up to 4.5 litres for high-demand applications
- Compact design: Ideal where under-bench space is limited
- Anti-siphonic protection: 76mm liquid seal maintains system integrity
- Flexible configuration: Can operate as a trap or dilution chamber only
- Serviceable design: Dip tubes removable for cleaning and flushing
- Chemical resistant construction: Suitable for aggressive waste streams
- BBA approved: Independently certified for performance and reliability


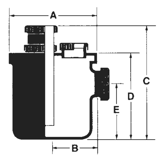
| Product Code | A (mm) | B (mm) | C (mm) | D (mm) | E (mm) | gms |
| 376918 | 230 | 121 | 318 | 244 | 168 | 2250 |
