PP Electro-Fusion Long Elbow 45
Technical Specification
- Material (up to 225mm): Polypropylene Block Homopolymer (PP-H)
- Material (250mm and above): Polypropylene Random Copolymer (PP-R)
- Jointing method: Electrofusion / butt welding
- Bend angle: 45°
- Working pressure: 10 bar
- Application approval: Water use only
- Standards: DIN 16962 Parts 5/6/7/8/9/12, ISO 7279:1984, ISO 15494:2003 Type B
- Operating temperature range: -20°C to 120°C
Description
The PP Electro-Fusion Long Elbow 45 is designed to provide a smooth 45° change of direction within polypropylene pipe systems while maintaining excellent joint integrity and long-term performance. Its long-radius design helps minimise flow disturbance and pressure loss, making it ideal for systems where efficient flow characteristics are essential.
Manufactured from high-quality polypropylene, sizes up to 225mm are produced in polypropylene homopolymer (PP-H), with larger sizes from 250mm upwards manufactured in polypropylene random copolymer (PP-R). Each fitting incorporates an integral electrofusion heating element which, when energised, melts both the inside of the fitting and the outer wall of the pipe to create a strong, homogenous welded joint.
The profiled fitting body is engineered to evenly distribute stresses through the bend, improving reliability in pressurised and demanding industrial environments.
Key Features & Benefits
- Electrofusion jointing: Produces a permanent, leak-free welded connection
- Long-radius 45° bend: Reduces turbulence and pressure drop compared with sharper bends
- Profiled fitting body: Helps spread stresses for enhanced joint durability
- Material optimised by size: PP-H up to 225mm, PP-R from 250mm and above
- Smooth bore: Supports high flow rates and efficient system performance
- Corrosion resistant: Suitable for aggressive and industrial fluid handling systems


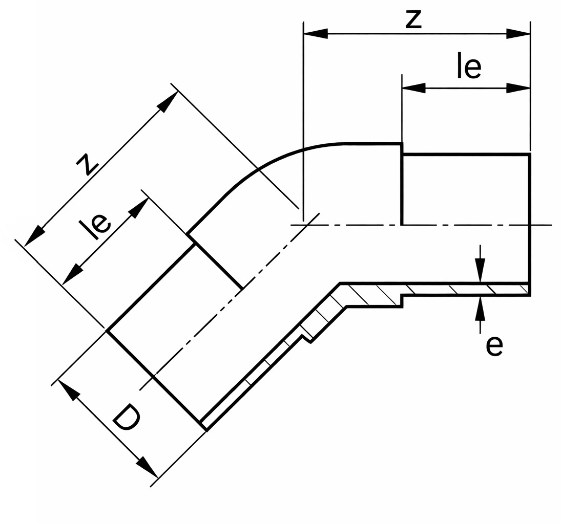
| SKU | D (mm) | e (mm) | le (mm) | z (mm) | Weight (Kg) |
| 392405 | 20 | 1.9 | 51 | 70 | 0.022 |
| 392406 | 25 | 2.3 | 55 | 75 | 0.035 |
| 392407 | 32 | 2.9 | 69 | 90 | 0.063 |
| 392408 | 40 | 3.7 | 70 | 100 | 0.100 |
| 392409 | 50 | 4.6 | 60 | 110 | 0.120 |
| 392410 | 63 | 5.8 | 65 | 115 | 0.217 |
| 392411 | 75 | 6.8 | 70 | 130 | 0.290 |
| 392412 | 90 | 8.2 | 80 | 140 | 0.450 |
| 392413 | 110 | 10 | 90 | 160 | 0.775 |
| 392414 | 125 | 11.4 | 95 | 170 | 1.120 |
| 392415 | 140 | 12.7 | 120 | - | 1.320 |
| 392416 | 160 | 14.6 | 140 | 230 | 2.465 |
| 392417 | 180 | 16.4 | 140 | 245 | 3.210 |
| 392418 | 200 | 18.2 | 150 | 265 | 4.625 |
| 392419 | 225 | 20.5 | 150 | 280 | 5.550 |
| 392420 | 250 | 22.7 | 130 | 220 | 7.890 |
| 392421 | 280 | 25.4 | 140 | 230 | 10.170 |
| 392422 | 315 | 28.5 | 150 | 250 | 11.690 |
