PVC Reducing Adaptor Threaded F x M
Technical Specification
- Material: Unplasticised Polyvinyl Chloride (PVCu)
- Sizes: 1/2" x 3/8" to 4" x 3"
- Pressure rating: 15 bar
- Temperature range: 5°C to 60°C
- Connection type: Threaded (BSP)
- Colour: Grey
- Standards:
- WRAS approved
- BSI Kitemark-certified


Description
This PVCu reducing threaded adaptor is designed to connect BSP threaded components of different sizes where a female to male threaded transition is required. It provides a compact and efficient way to reduce thread size without the need for additional fittings, making it ideal for adapting pipework, valves or equipment within an imperial threaded system.
Manufactured from corrosion-resistant PVCu, the adaptor delivers dependable long-term performance across water supply, industrial installations and general engineering applications. The precisely formed BSP threads ensure secure mechanical joints when installed with a suitable thread sealant, while the reduced profile helps keep installations neat and space efficient.
For more information, please visit our PVCu Pressure Pipe Guide!
Key Features & Benefits
- Female to male thread reduction: Connects BSP threaded components of different sizes
- Compact reducing design: Minimises added length and simplifies pipe layouts
- BSP threaded connections: Provide secure mechanical joints without solvent welding
- Corrosion-resistant PVCu: Prevents rust, pitting, and scale build-up
- Imperial sizing compatibility: Designed to match standard BSP threaded fittings
- Ideal for system adaptation: Suitable for retrofits, upgrades and maintenance work
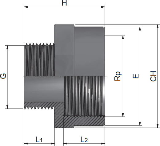
Dimensions


| SKU | Nominal Size (inch) | Rp (inch) | G (inch) | L1 (mm) | L2 (mm) | E (mm) | CH (mm) | H (mm) |
| 359833 | 1/2 x 3/8 | 1/2 | 3/8 | 11.4 | 15 | 28 | 30 | 36 |
| 356927 | 3/4 x 1/2 | 3/4 | 1/2 | 15 | 16.3 | 34 | 36 | 41.3 |
| 356928 | 1 x 3/4 | 1 | 3/4 | 16.3 | 19.1 | 42 | 46 | 46.1 |
| 356929 | 1 1/4 x 1 | 1 1/4 | 1 | 19.1 | 21.4 | 51 | 55 | 50.7 |
| 356930 | 1 1/2 x 1 1/4 | 1 1/2 | 1 1/4 | 21.4 | 21.4 | 58 | 60 | 58.4 |
| 356931 | 2 x 1 1/2 | 2 | 1 1/2 | 21.4 | 26 | 72 | 75 | 70 |
| 359834 | 2 1/2 x 2 | 2 1/2 | 2 | 26 | 30.2 | 89 | 90 | 73.2 |
| 359835 | 3 x 2 1/2 | 3 | 2 1/2 | 30.2 | 33.3 | 103 | 105 | 77.3 |
| 359836 | 4 x 3 | 4 | 3 | 33.3 | 39.3 | 130 | 130 | 88.3 |

