Installation: Ready-to-use, pre-assembled component for quick and secure fixing
Mounting Holes: Predefined spacing for accurate alignment with RapidRail channels
Fixing Options: Suitable for wall, floor or ceiling installation
Description
The Walraven Stainless Steel Wall Plate is designed to provide a strong, secure, and corrosion-resistant fixing base for RapidRail channel installations in demanding environments. Manufactured from premium-grade AISI 316L stainless steel, this wall plate delivers exceptional resistance to corrosion, making it the ideal choice for industrial, marine, food processing, and outdoor applications.
Its flat, pre-drilled design allows for fast, accurate wall or ceiling mounting, providing a stable foundation for supporting pipework, ducting, or cable management systems. The plate is precision-engineered to maintain structural integrity and ensure compatibility with the entire Walraven RapidRail stainless steel range.
Key Features & Benefits
Corrosion resistant: Made from AISI 316L stainless steel for long-lasting protection in harsh environments.
Strong and stable: Provides a secure fixing base for rail systems and supported equipment.
Hygienic design: Suitable for environments where cleanliness and material integrity are essential.
Easy installation: Pre-drilled holes ensure quick and accurate wall or ceiling mounting.
System compatible: Designed for use with all Walraven RapidRail stainless steel profiles.
Low maintenance: Resistant to rust and environmental wear, ensuring long service life.
Professional appearance: Clean finish ideal for exposed installations or hygienic facilities.
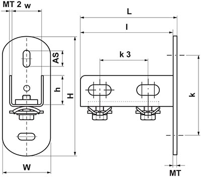
Dimensions
Product Code
Manufacturer Code
Rail Size (mm)
H (mm)
W (mm)
L (mm)
w (mm)
h (mm)
l (mm)
k (mm)
AS (mm)
MT (mm)
MT 2 (mm)
491063
6617210
30 x 20
123
50
100
35
32
96
83
23.5 x 11
4
2
Downloads
Datasheet
Brochure
IMPORTANT: The technical data given on this website is for preliminary information purposes only and is published without guarantee. All line drawings are for illustrative purposes only and should not be regarded as wholly accurate in every detail. We reserve the right to withdraw or to alter the specification of any product without notice. For more information, please consult our Terms of Business.
If you require any further information, our excellent customer service team is here to help so please call us on 01794 835835.