MDPE Electrofusion Spigot Reducer

Loading...
Useful Information

Technical Specification

  • Type: Electrofusion Spigot Reducer
  • Connection Type: Spigot x Spigot (for electrofusion welding via couplers)
  • Material Composition: PE100 high-density polyethylene
  • Pressure Rating: PN16 – 16 bar
  • Temperature Range: 0°C to +40°C (cold water systems)
  • Terminal Pins: N/A (used with external electrofusion coupler or fitting)
  • Standards Compliance:
  • BS EN 1555 (Gas applications)
  • BS EN 12201 (Water applications)
  • WIS 4-32-14 & WIS 4-32-15
  • KIWA approved for potable water systems
  • Pipe Compatibility: MDPE pipe – differing diameters

Installation Note: Use with a compatible electrofusion control unit as per standard procedure

Description

The MDPE Electrofusion Spigot Reducer is designed to facilitate a diameter transition between two MDPE pipes using electrofusion welding. This fitting features a spigot (plain end) on both sides, allowing secure integration with electrofusion couplers or fittings. Manufactured from PE100 polyethylene and KIWA approved, it provides a durable and high-integrity solution for both potable water and gas distribution systems. Ideal for applications requiring long-lasting, pressure-rated performance in confined or underground installations.

Key Features & Benefits

  • Facilitates Pipe Size Reduction: Allows smooth transition between different MDPE pipe diameters within electrofusion systems.
  • Durable PE100 Construction: High-strength polyethylene provides excellent impact, chemical, and corrosion resistance.
  • Versatile Spigot Ends: Compatible with electrofusion couplers or other fittings for flexible system design.
  • Certified for Potable Water & Gas: Fully compliant with UK and European standards, KIWA approved for drinking water.
  • Compact and Reliable: Ideal for space-restricted areas and systems requiring high joint integrity.
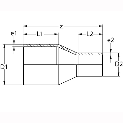
SKU Supplier Code D1 (mm) D2 (mm) e1 (mm) e2 (mm) L1 (mm) L2 (mm) z (mm)
370512 PS2323100815 50 32 4.6  3.0 61 50 134
370513 PS2323110815 63 32 5.8 3.0 69 50 148
370514 PS2323110915 63 40 5.8 3.7 69 55 148
370515 PS2323111015 63 50 5.8 4.6 69 61 148
370516 PS2323121115 75 63 6.9 5.8 76 69 170
370517 PS2323131015 90 50 8.2 4.6 85 61 189
370518 PS2323131115 90 63 8.2 5.8 85 69 178
370519 PS2323131215 90 75 8.2 6.9 85 76 181
370520 PS2323141115 110 63 10.0 5.8 95 69 212
370521 PS2323141215 110 75 10.0 6.9 95 76 215
370522 PS2323141315 110 90 10.0 8.2 95 85 215
370523 PS2323151115 125 63 11.4 5.8 99 69 226
370524 PS2323151315 125 90 11.4 8.2 100 85 225
370525 PS2323151415 125 110 11.4 10.0 100 80 228
370526 PS2323161315 140 90 12.7 8.2 116 85 248
370527 PS2323161415 140 110 12.7 10.0 105 95 250
370528 PS2323161515 140 125 12.7 11.4 105 105 25
370529 PS2323171315 160 90 14.6 8.2 111 84 260
370530 PS2323171415 160 110 14.6  10.0 112 94 260
370531 PS2323171515 160 125 14.6 11.4 111 98 260
370532 PS2323171615 160 140 14.6 12.7 111 105 260
370533 PS2323181335 180 90 16.4 8.2 110 90 260
370534 PS2323181515 180 125 16.4 11.4 116 105 275
370535 PS2323181715 180 160 16.4 14.6 117 110 275
370536 PS2323191715 200 160 18.2 14.6 124 110 278
370537 PS2323191835 200 180 18.2 16.4 117 109 236
370538 PS2323201935 225 200 20.5 18.2 132 130 277
370539 PS2323211815 250 180 22.7 16.4 140 120 338
370540 PS2323211915 250 200 22.7 18.2 140 125 335

IMPORTANT: The technical data given on this website is for preliminary information purposes only and is published without guarantee. All line drawings are for illustrative purposes only and should not be regarded as wholly accurate in every detail. We reserve the right to withdraw or to alter the specification of any product without notice. For more information, please consult our Terms of Business.

If you require any further information, our excellent customer service team is here to help so please call us on 01794 835835.

 

Grouped product items
Code Product Name List Price You Save You Pay Quantity
370512 PL ElectroFusion Spigot Reducer 50mm x 32mm £6.13 55%
You Pay:  £2.76
370513 PL ElectroFusion Spigot Reducer 63mm x 32mm £8.92 55%
You Pay:  £4.01
370514 PL ElectroFusion Spigot Reducer 63mm x 40mm £8.92 55%
You Pay:  £4.01
370515 PL ElectroFusion Spigot Reducer 63mm x 50mm £8.92 55%
You Pay:  £4.01
370516 PL ElectroFusion Spigot Reducer 75mm x 63mm £15.03 55%
You Pay:  £6.76
370517 PL ElectroFusion Spigot Reducer 90mm x 50mm £20.70 55%
You Pay:  £9.32
370518 PL ElectroFusion Spigot Reducer 90mm x 63mm £20.70 55%
You Pay:  £9.32
370519 PL ElectroFusion Spigot Reducer 90mm x 75mm £20.70 55%
You Pay:  £9.32
370520 PL ElectroFusion Spigot Reducer 110mm x 63mm £26.20 55%
You Pay:  £11.79
370521 PL ElectroFusion Spigot Reducer 110mm x 75mm £27.52 55%
You Pay:  £12.38
370522 PL ElectroFusion Spigot Reducer 110mm x 90mm £27.52 55%
You Pay:  £12.38
370523 PL ElectroFusion Spigot Reducer 125mm x 63mm £31.63 55%
You Pay:  £14.23
370524 PL ElectroFusion Spigot Reducer 125mm x 90mm £33.21 55%
You Pay:  £14.94
370525 PL ElectroFusion Spigot Reducer 125mm x 110mm £33.21 55%
You Pay:  £14.94
370526 PL ElectroFusion Spigot Reducer 140mm x 90mm £50.23 55%
You Pay:  £22.60
370527 PL ElectroFusion Spigot Reducer 140mm x 110mm £50.23 55%
You Pay:  £22.60
370528 PL ElectroFusion Spigot Reducer 140mm x 125mm £47.86 55%
You Pay:  £21.54
370529 PL ElectroFusion Spigot Reducer 160mm x 90mm £57.22 55%
You Pay:  £25.75
370530 PL ElectroFusion Spigot Reducer 160mm x 110mm £63.87 55%
You Pay:  £28.74
370531 PL ElectroFusion Spigot Reducer 160mm x 125mm £63.87 55%
You Pay:  £28.74
370532 PL ElectroFusion Spigot Reducer 160mm x 140mm £63.87 55%
You Pay:  £28.74
370533 PL ElectroFusion Spigot Reducer 180mm x 90mm £75.16 55%
You Pay:  £33.82
370534 PL ElectroFusion Spigot Reducer 180mm x 125mm £63.83 55%
You Pay:  £28.72
370535 PL ElectroFusion Spigot Reducer 180mm x 160mm £77.84 55%
You Pay:  £35.03
370536 PL ElectroFusion Spigot Reducer 200mm x 160mm £90.44 55%
You Pay:  £40.70
370537 PL ElectroFusion Spigot Reducer 200mm x 180mm £129.09 55%
You Pay:  £58.09
370538 PL ElectroFusion Spigot Reducer 225mm x 200mm £195.25 55%
You Pay:  £87.86
370539 PL ElectroFusion Spigot Reducer 250mm x 180mm £231.57 55%
You Pay:  £104.21
370540 PL ElectroFusion Spigot Reducer 250mm x 200mm £231.57 55%
You Pay:  £104.21