BH NPT Female x Female x Male

Loading...
Useful Information

Technical Specification

  • Sizes Available: 1/4" - 1 1/2"
  • Material: Steel
  • Configuration: 90° tee
  • Cone Type: 60° cone on male branch
  • Thread Type: NPT female x female run, NPT male branch
  • Standard Compliance: Manufactured to BS EN 10277
  • Temperature Range: -40°C to +120°C without pressure reduction
  • Pressure Ratings:
  • Proof Pressure: 2× working pressure
  • Burst Pressure: 4× working pressure
  • Torque Guidance: Based on lightly oiled steel threads
  • Quality Assurance: ISO 9001-certified manufacturing

Description

A robust 90° NPT tee featuring two NPT female connections on the run and an NPT male branch with a 60° cone seat. Designed for secure and leak-free connections in hydraulic and pneumatic systems, this precision-engineered fitting is manufactured from high-quality steel to BS EN 10277 standards. The 60° cone seat on the male branch provides a metal-to-metal seal for enhanced reliability under high-pressure conditions.

Key Features & Benefits

  • Durable Steel Build: Ensures strength and long service life
  • 60° Cone Seal: Provides secure, vibration-resistant sealing
  • Versatile Connection: Combines female and male NPT threads in one fitting
  • Precision Manufacturing: Conforms to BS EN 10277 for consistent quality
  • High-Pressure Capability: Designed for demanding hydraulic applications
  • ISO Certified: Produced under ISO 9001 quality management standards

Downloads

Burnett & Hillman Pressure Guide

 

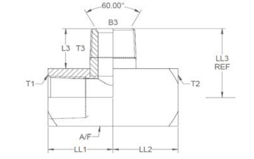
SKU Product Code T1, T2 & T3 (") B3 (") L3 (") LL1 & LL2 (") LL3 (") A/F (")
380169 07080 1/4 0.25 0.7 0.937 1.075 0.75
380170 07081 3/8 0.375 0.7 1 1.2 1
380172 07083 3/4 0.687 0.96 1.5 1.647 1.375
380173 07084 1 0.843 1.315 1.725 2.19 1.75
380174 07085 1 1/4 1.203 1.49 2.062 2.49 2
380175 07086 1 1/2 1.312 1.64 2.25 2.86 2.5

 

IMPORTANT: The technical data given on this website is for preliminary information purposes only and is published without guarantee. All line drawings are for illustrative purposes only and should not be regarded as wholly accurate in every detail. We reserve the right to withdraw or to alter the specification of any product without notice. For more information, please consult our Terms of Business.

If you require any further information, our excellent customer service team is here to help so please call us on 01794 835835.

 

Grouped product items
Code Product Name List Price You Save You Pay Quantity
380169 BH NPT Tee F x F x M Branch 1/4" x 1/4" x 1/4" £25.23 50%
You Pay:  £12.62
380170 BH NPT Tee F x F x M Branch 3/8" x 3/8" x 3/8" £31.70 50%
You Pay:  £15.85
380172 BH NPT Tee F x F x M Branch 3/4" x 3/4" x 3/4" £51.43 50%
You Pay:  £25.72
380173 BH NPT Tee F x F x M Branch 1" x 1" x 1" £63.00 50%
You Pay:  £31.50
380174 BH NPT Tee F x F x M Branch 1 1/4" x 1 1/4" x 1 1/4" £109.67 50%
You Pay:  £54.83
380175 BH NPT Tee F x F x M Branch 1 1/2" x 1 1/2" x 1 1/2" £147.37 50%
You Pay:  £73.68