BH BSPP 60° Cone Male x 90° Swept Hose Tail

Loading...
Useful Information

Technical Specification

  • Sizes Available: 1/4" - 1"
  • Material: Steel
  • Hose Connection: 90° swept hose tail
  • Seal Type: 60° cone metal-to-metal seal
  • Thread Type: BSPP (British Standard Pipe Parallel) male
  • Standard Compliance: Manufactured to BS EN 10277
  • Temperature Range: -40°C to +120°C without pressure reduction
  • Pressure Ratings:
  • Proof Pressure: 2× working pressure
  • Burst Pressure: 4× working pressure
  • Torque Guidance: For lightly oiled steel threads
  • Quality Assurance: ISO 9001-certified manufacturing

Description

This 90° swept hose tail fitting combines a BSPP male thread with a 60° cone for secure metal-to-metal sealing and smooth fluid flow. The swept elbow design reduces turbulence and hose wear by allowing a gentler change in direction, making it ideal for high-flow hydraulic and fluid transfer systems. Precision-engineered from high-quality steel to BS EN 10277 standards, this fitting delivers durability, strength, and leak-free performance in demanding applications.

Key Features & Benefits

  • Swept 90° Hose Tail: Improves flow efficiency and minimises hose strain
  • 60° Cone Seal: Ensures reliable metal-to-metal sealing for leak prevention
  • BSPP Male Thread: Compatible with a wide range of hydraulic systems
  • Durable Steel Construction: Built for high-pressure applications
  • Precision Machined: Complies with BS EN 10277 for accurate fit and sealing
  • Improved Hose Longevity: Reduces stress from sharp bends
  • ISO Certified Quality: Manufactured under ISO 9001 standards

Downloads

Burnett & Hillman Pressure Guide

 

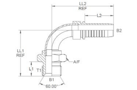
SKU Product Code Male Thread T1 (") To Suit Hose I.D T2 (") B1 (") B2 (") L1 (") L2 (") LL1 (") LL2 (") A/F (mm)
379650 19930 1/4 1/4  0.25 0.172 0.45 1.105 1.342 2.08 19
379651 19931 3/8 3/8 0.375 0.271 0.52 1.18 1.604 2.312 22
379652 19932 1/2 1/2 0.5 0.375 0.6 1.24 2.005 2.62 27
379653 19933 5/8 5/8 0.562 0.464 0.7 1.35 2.232 2.897 30
379654 19934 3/4 3/4 0.659 0.6 0.75 1.555 2.52 3.325 32
379655 19935 1 1 0.843 0.797 0.8 1.85 2.885 4.13 41

 

IMPORTANT: The technical data given on this website is for preliminary information purposes only and is published without guarantee. All line drawings are for illustrative purposes only and should not be regarded as wholly accurate in every detail. We reserve the right to withdraw or to alter the specification of any product without notice. For more information, please consult our Terms of Business.

If you require any further information, our excellent customer service team is here to help so please call us on 01794 835835.

 

Grouped product items
Code Product Name List Price You Save You Pay Quantity
379650 BH BSPP Male 60 Cone x Swept 90 Hose Tail 1/4" x 1/4" £6.30 50%
You Pay:  £3.15
379651 BH BSPP Male 60 Cone x Swept 90 Hose Tail 3/8" x 3/8" £10.00 50%
You Pay:  £5.00
379652 BH BSPP Male 60 Cone x Swept 90 Hose Tail 1/2" x 1/2" £10.70 50%
You Pay:  £5.35
379653 BH BSPP Male 60 Cone x Swept 90 Hose Tail 5/8" x 5/8" £14.43 50%
You Pay:  £7.22
379654 BH BSPP Male 60 Cone x Swept 90 Hose Tail 3/4" x 3/4" £16.47 50%
You Pay:  £8.23
379655 BH BSPP Male 60 Cone x Swept 90 Hose Tail 1" x 1" £23.30 50%
You Pay:  £11.65