BH BSPP 60° Cone Female Swivel x Compact 90° Hose Tail

Loading...
Useful Information

Technical Specification

  • Sizes Available: 1/4" - 1"
  • Material: Steel
  • Seal Type: 60° cone metal-to-metal seal
  • Hose Connection: Compact 90° hose tail
  • Thread Type: BSPP (British Standard Pipe Parallel) swivel female
  • Standard Compliance: Manufactured to BS EN 10277
  • Temperature Range: -40°C to +120°C without pressure reduction
  • Pressure Ratings:
  • Proof Pressure: 2× working pressure
  • Burst Pressure: 4× working pressure
  • Torque Guidance: For lightly oiled steel threads
  • Quality Assurance: ISO 9001-certified manufacturing

Description

This compact 90° hose tail fitting features a BSPP swivel female thread with a 60° cone, providing a secure metal-to-metal seal for reliable performance. The compact elbow design is ideal for installations where space is limited, while the swivel function makes hose alignment easy without twisting. Made from high-quality steel to BS EN 10277 standards, this fitting offers strength, durability, and precision for demanding hydraulic and fluid transfer systems.

Key Features & Benefits

  • Compact 90° Design: Perfect for space-restricted installations
  • 60° Cone Seal: Delivers dependable leak-free sealing
  • Swivel BSPP Female: Prevents hose twist during installation
  • Durable Steel Construction: Withstands high-pressure conditions
  • Precision Machined: Ensures accurate fit and sealing performance
  • Versatile Use: Suitable for hydraulic, pneumatic, and fluid applications
  • ISO Certified Quality: Manufactured under ISO 9001 standards

Downloads

Burnett & Hillman Pressure Guide

 

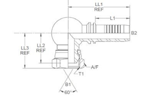
SKU Product Code Female T1 (") To Suit Hose I.D T2 (") B1 (") B2 (") L1 (") LL1 (") LL2 (") LL3 (") A/F (mm)
379931 80001  1/4 1/4 0.172  0.172 1.105 1.825 0.866 1.08 19
379932 80002  3/8 3/8 0.296 0.281 1.18 2.22 0.95 1.23 22
379933 80008  1/2 3/8 0.39 0.281 1.18 2.15 1.1 1.39 27
379934  80003 1/2 1/2 0.375 0.406 1.24 2.24 1.1 1.39  27
379935 80004  5/8 5/8 0.464 0.464 1.35 2.51 1.21 1.64 30
379936 80005  3/4 3/4 0.6 0.6 1.55 2.79 1.47 1.86 32 
379937 80006 1 1  0.843 0.843   1.85 3.35  1.73   2.09 1.5" 

 

IMPORTANT: The technical data given on this website is for preliminary information purposes only and is published without guarantee. All line drawings are for illustrative purposes only and should not be regarded as wholly accurate in every detail. We reserve the right to withdraw or to alter the specification of any product without notice. For more information, please consult our Terms of Business.

If you require any further information, our excellent customer service team is here to help so please call us on 01794 835835.

 

Grouped product items
Code Product Name List Price You Save You Pay Quantity
379931 BH Compact 90 BSPP Female 60 Cone x Hose Tail 1/4" x 1/4" £7.97 50%
You Pay:  £3.98
379932 BH Compact 90 BSPP Female 60 Cone x Hose Tail 3/8" x 3/8" £9.30 50%
You Pay:  £4.65
379933 BH Compact 90 BSPP Female 60 Cone x Hose Tail 1/2" x 3/8" £13.10 50%
You Pay:  £6.55
379934 BH Compact 90 BSPP Female 60 Cone x Hose Tail 1/2" x 1/2" £11.33 50%
You Pay:  £5.67
379935 BH Compact 90 BSPP Female 60 Cone x Hose Tail 5/8" x 5/8" £19.40 50%
You Pay:  £9.70
379936 BH Compact 90 BSPP Female 60 Cone x Hose Tail 3/4" x 3/4" £21.37 50%
You Pay:  £10.68
379937 BH Compact 90 BSPP Female 60 Cone x Hose Tail 1" x 1" £48.53 50%
You Pay:  £24.27