Temperature Range: -40°C to +120°C (no pressure reduction)
Pressure Ratings:
Proof Pressure: 2× working pressure
Burst Pressure: 4× working pressure
Torque Guidance: Recommended torque values for lightly oiled steel threads
Quality Assurance: Produced under ISO 9001-certified manufacturing
Description
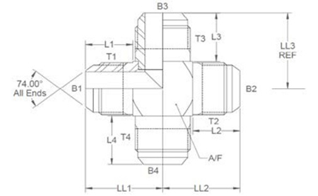
This 90° cross adaptor features four JIC male threads with 37° cone sealing surfaces, providing a strong, leak-free connection in hydraulic systems. Manufactured by Burnett & Hillman from high-quality mild steel to BS EN 10277 standards, it is ideal for creating four-way hydraulic connections where reliable metal-to-metal sealing is essential in high-pressure applications.
Key Features & Benefits
Durable Construction: Made from robust mild steel for long-lasting performance
Thread Configuration: JIC male x 4 with 37° cone ends for secure sealing
90° Cross Design: Allows four-way hydraulic connection for complex routing
Standard Compliance: Produced to BS EN 10277 for dimensional accuracy
Versatile Use: Suitable for hydraulic and pneumatic systems requiring JIC fittings
Quality Manufacturing: ISO 9001-certified processes ensure consistent reliability
Downloads
Burnett & Hillman Pressure Guide
SKU
Product Code
T1 - T4 (")
B1 - B4 (")
L1 - L4 (")
LL1 - LL2 (")
LL3 (")
A/F (")
381226
03030
7/16
0.172
0.64
0.902
0.89
0.5
381227
03031
1/2
0.234
0.64
0.965
0.972
0.625
381228
03032
9/16
0.297
0.65/0.7
1.037
1.012
0.625
381229
03033
3/4
0.391
0.8/0.85
1.262
1.287
0.875
381230
03034
7/8
0.484
0.875/0.95
1.437
1.512
1
381231
03036
1 1/16
0.609
1.02
1.65
1.65
26.5
381232
03035
1 5/16
0.844
1.125/1.22
1.837
1.907
1.375
381233
03037
1 5/8
1.078
1.175/1.23
2.075
2.105
1.75
IMPORTANT: The technical data given on this website is for preliminary information purposes only and is published without guarantee. All line drawings are for illustrative purposes only and should not be regarded as wholly accurate in every detail. We reserve the right to withdraw or to alter the specification of any product without notice. For more information, please consult our Terms of Business.
If you require any further information, our excellent customer service team is here to help so please call us on 01794 835835.