BH JIC Forged Male Bulkhead 90° Elbow

Loading...
Useful Information

Technical Specification

  • Sizes Available: 3/8" - 1 5/16"
  • Material: Mild Steel
  • Seal Type: 37° cone for metal-to-metal sealing
  • Thread Type: JIC (Joint Industry Council) male bulkhead
  • Configuration: Forged 90° elbow with bulkhead connection
  • Standard Compliance: Manufactured to BS EN 10277
  • Temperature Range: -40°C to +120°C without pressure reduction
  • Pressure Ratings:
  • Proof Pressure: 2× working pressure
  • Burst Pressure: 4× working pressure
  • Torque Guidance: Recommended for use with lightly oiled steel threads
  • Quality Assurance: ISO 9001-certified manufacturing

Description

This forged 90° elbow bulkhead fitting features a male JIC thread with a precision 37° cone for secure metal-to-metal sealing. The bulkhead design enables reliable sealing through panels or mounting surfaces, while the forged construction provides added strength for high-pressure hydraulic applications. Manufactured from high-quality mild steel to BS EN 10277, it delivers durability, precision, and leak-free performance in demanding fluid power systems.

Key Features & Benefits

  • Forged Strength: Increases durability for high-pressure systems
  • Bulkhead Design: Ideal for panel or equipment wall mounting
  • Reliable Seal: 37° cone ensures consistent, leak-free metal-to-metal connection
  • Right-Angle Configuration: Enables efficient routing in confined spaces
  • Durable Material: Mild steel construction for long service life
  • Precision Machined: Threads and sealing faces meet BS EN 10277 standards
  • Quality Assured: Produced under ISO 9001-certified processes

Downloads

Burnett & Hillman Pressure Guide

 

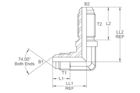
SKU Product Code T1 & T2 (") B1 & B2 (") L1 (") L2 (") LL1 (") LL2 (") A/F (")
380946 10525-03 3/8 0.125  0.464 0.92 0.94 1.5 0.438
380947 10525-04 7/16 0.172 0.535 1.02 0.97 1.59 0.438
380948 10525-05 1/2 0.234 0.535 1.02 1.06 1.72 0.562
380949 10525-06 9/16 0.297 0.541 1.09 1.09 1.81 0.562
380950 10525-08 3/4 0.391 0.642 1.25 1.36 2.11 0.75
380951 10525-10 7/8 0.484 0.743 1.39 1.56 2.39 0.875
380952 10525-12 1 1/16 0.609 0.849 1.56 1.78 2.67 1.062
380953 10525-16 1 5/16 0.844 0.896 1.56 1.94 2.8 1.312

 

IMPORTANT: The technical data given on this website is for preliminary information purposes only and is published without guarantee. All line drawings are for illustrative purposes only and should not be regarded as wholly accurate in every detail. We reserve the right to withdraw or to alter the specification of any product without notice. For more information, please consult our Terms of Business.

If you require any further information, our excellent customer service team is here to help so please call us on 01794 835835.

 

Grouped product items
Code Product Name List Price You Save You Pay Quantity
380946 BH Male Bulkhead Forged 90 Elbow JIC 3/8" x 3/8" £10.77 50%
You Pay:  £5.38
380947 BH Male Bulkhead Forged 90 Elbow JIC 7/16" x 7/16" £10.77 50%
You Pay:  £5.38
380948 BH Male Bulkhead Forged 90 Elbow JIC 1/2" x 1/2" £11.93 50%
You Pay:  £5.97
380949 BH Male Bulkhead Forged 90 Elbow JIC 9/16" x 9/16" £12.13 50%
You Pay:  £6.07
380950 BH Male Bulkhead Forged 90 Elbow JIC 3/4" x 3/4" £14.43 50%
You Pay:  £7.22
380951 BH Male Bulkhead Forged 90 Elbow JIC 7/8" x 7/8" £27.90 50%
You Pay:  £13.95
380952 BH Male Bulkhead Forged 90 Elbow JIC 1 1/16" x 1 1/16" £38.63 50%
You Pay:  £19.32
380953 BH Male Bulkhead Forged 90 Elbow JIC 1 5/16" x 1 5/16" £48.30 50%
You Pay:  £24.15