BH JIC 37° Cone x BSPP Positional Forged Male 90° Elbow

Loading...
Useful Information

Technical Specification

  • Sizes Available: 7/16" x 1/4" - 1 5/16" x 1"
  • Material: Mild Steel
  • Configuration: 90° positional forged elbow
  • JIC male: 37° cone metal-to-metal seal
  • BSPP male: Positional forged connection for precise orientation
  • Thread Type: JIC (Joint Industry Council) male x BSPP (British Standard Pipe Parallel) male
  • Standard Compliance: Manufactured to BS EN 10277
  • Temperature Range: -40°C to +120°C without pressure reduction
  • Pressure Ratings:
  • Proof Pressure: 2× working pressure
  • Burst Pressure: 4× working pressure
  • Torque Guidance: Designed for lightly oiled steel threads
  • Quality Assurance: ISO 9001-certified manufacturing

Description

This 90° positional forged elbow connects a JIC male thread with a 37° cone to a BSPP male thread. The positional forged design allows precise orientation of the BSPP end during installation, ensuring accurate hose or pipe routing. The JIC side offers a secure, leak-free metal-to-metal seal, making it ideal for hydraulic systems that require a reliable connection between JIC and BSPP standards. Manufactured from high-grade mild steel to BS EN 10277, this fitting provides strength, precision, and durability for demanding fluid power applications.

Key Features & Benefits

  • Mixed Thread Adaptability: Connects JIC male 37° cone to BSPP male
  • Positional Forged BSPP End: Allows precise alignment for installation
  • Reliable Sealing: 37° cone ensures leak-free connection on JIC side
  • Right-Angle Design: Enables efficient hose or pipe routing in tight spaces
  • Strong and Durable: Mild steel construction for long service life
  • Precision Engineering: Machined to BS EN 10277 standards for accuracy
  • ISO Certified Quality: Manufactured under ISO 9001 controls

Downloads

Burnett & Hillman Pressure Guide

 

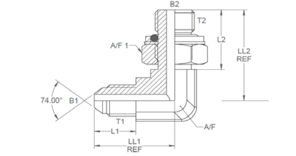
SKU Product Code T1 (") T2 (") B1 (") B2 (") L1 (") L2 (") LL1 (") LL2 (") A/F (mm) A/F1 (mm)
380954 27070FDPOS  7/16 1/4 0.172  0.295 0.535 0.913 0.897 1.26 14 19
380955  27072FDPOS 9/16 1/4 0.296 0.295 0.541 0.913 1.062 1.26 14 19
380956  27073FDPOS 9/16 3/8 0.296 0.39 0.541 0.913 1.161 1.456 19 22
380957 27077FDPOS  3/4 3/8 0.391 0.391 0.641 0.913 1.26 1.456 19 22
380958 27074FDPOS  3/4 1/2 0.391 0.484 0.641 1.153 1.153 1.69 22 27
380959  27079FDPOS 7/8 1/2 0.484 0.484 0.742 1.153 1.456 1.69 22 27
380960  27075FDPOS 1 1/16 3/4 0.609 0.61  0.848  1.153  1.653 1.949  27  36 
380961  27076FDPOS 1 5/16 1  0.844 0.846  0.895   1.33  1.811  2.047 33  41 

 

IMPORTANT: The technical data given on this website is for preliminary information purposes only and is published without guarantee. All line drawings are for illustrative purposes only and should not be regarded as wholly accurate in every detail. We reserve the right to withdraw or to alter the specification of any product without notice. For more information, please consult our Terms of Business.

If you require any further information, our excellent customer service team is here to help so please call us on 01794 835835.

 

Grouped product items
Code Product Name List Price You Save You Pay Quantity
380954 BH Male 90 Forged Elbow JIC 37 Cone x BSPP 7/16" x 1/4" £13.90 50%
You Pay:  £6.95
380955 BH Male 90 Forged Elbow JIC 37 Cone x BSPP 9/16" x 1/4" £13.90 50%
You Pay:  £6.95
380956 BH Male 90 Forged Elbow JIC 37 Cone x BSPP 9/16" x 3/8" £16.77 50%
You Pay:  £8.38
380957 BH Male 90 Forged Elbow JIC 37 Cone x BSPP 3/4" x 3/8" £16.77 50%
You Pay:  £8.38
380958 BH Male 90 Forged Elbow JIC 37 Cone x BSPP 3/4" x 1/2" £20.03 50%
You Pay:  £10.02
380959 BH Male 90 Forged Elbow JIC 37 Cone x BSPP 7/8" x 1/2" £20.03 50%
You Pay:  £10.02
380960 BH Male 90 Forged Elbow JIC 37 Cone x BSPP 1 1/16" x 3/4" £27.17 50%
You Pay:  £13.58
380961 BH Male 90 Forged Elbow JIC 37 Cone x BSPP 1 5/16" x 1" £45.77 50%
You Pay:  £22.88